应力三轴度对淬火态硼钢氢脆敏感性的影响
1.
2.
Effect of Stress Triaxiality on Hydrogen Embrittlement Susceptibility of Quenched Boron Steel B1500HS
1.
2.
通讯作者: 李淑慧,教授,lishuhui@sjtu.edu.cn,研究方向为薄板结构智能制造、金属塑性成形理论与数值模拟等
责任编辑: 黄青
收稿日期: 2021-04-15 修回日期: 2021-09-30
| 基金资助: |
|
Corresponding authors: LI Shuhui, Tel:
Received: 2021-04-15 Revised: 2021-09-30
| Fund supported: |
|
作者简介 About authors
张渤涛,男,1979年生,博士生
对硼钢进行电化学充氢和低应变率拉伸,分别画出了纯剪切、单向拉伸及近似平面应变状态下淬火态硼钢充氢前后的应力-应变曲线,并基于等效塑性应变量化了硼钢的氢脆敏感性,研究了应力三轴度对淬火态硼钢的力学性能和氢脆敏感性的影响。用SEM及EBSD表征试样断口的微观组织,根据淬火态硼钢充氢前后断裂模式的变化分析了硼钢在不同应力状态下的氢脆机理。结果表明,淬火态硼钢在剪应力状态下的氢脆机理与拉伸应力状态显著不同,使其氢脆敏感性比拉伸应力状态显著降低。
关键词:
The Hydrogen embrittlement (HE) susceptibility of the quenched boron steel B1500HS before and after being electrochemical hydrogen charging by applying different stresses, such as simple shear, uniaxial tensile and analogous plane strain, respectively was investigated via slow strain rate tensile test. Meanwhile, the stress-strain curves for both the H-free and H-charged steels were acquired and then the HE susceptibility of the test steels was calculated based on the equivalent plastic strain to reveal the effects of the stress state on the HE susceptibility of the quenched boron steel. Furthermore, the fracture features of the steels were characterized by SEM and EBSD to analyze the HE mechanism for the different applied stress. The results show that the HE mechanisms of the quenched boron steel by simple shear stress is substantial different to those by tensile stress, which indicated that the HE susceptibility during testing by simple shear stress is much lower than that by tensile stress.
Keywords:
本文引用格式
张渤涛, 李淑慧, 李永丰, 韩国丰.
ZHANG Botao, LI Shuhui, LI Yongfeng, HAN Guofeng.
为了提高整车的安全性和车体减重,越来越多的热冲压硼钢零件用于制造汽车车身[1]。但是,严重劣化金属力学性能的氢脆困扰着热冲压零件的生产和服役[2,3]。研究发现,强度超过1 GPa的高强钢的氢脆尤其明显[4]。硼钢快冷淬火后其强度达到1.5 GPa,因此热冲压零件会出现严重的氢脆[5]。淬火态硼钢氢脆显著的主要原因,是其中的马氏体对氢异常敏感[6,7]。Wang[8]指出,1300 MPa强度级别的马氏体钢在氢浓度只有0.1×10-6的环境中就会发生明显的氢脆。马氏体中氢浓度的少量变化就可能使其氢脆敏感性发生实质性的变化,而其局部氢浓度还受应力状态的影响[9,10]。Ghosh等[11,12]的不锈钢充氢试样弯曲实验的结果表明,板材厚度方向上的氢致微裂纹总是在拉伸应力区萌生,并向下扩展而终止于压缩应力区。这表明,同一种含氢材料在不同应力状态下的氢脆敏感性不同。虽然目前学术界对氢脆的微观机理还存在争议,但是有几种理论已经被接受[13~15]。例如,氢可引起金属原子间键合力降低的弱键理论(HEDE)[16]以及氢形成柯氏气团屏蔽弹性障碍物从而促进局部位错滑移的氢促进局部塑性理论(HELP)[17]。本文针对淬火态热冲压硼钢的氢脆,对不同应力三轴度下的三种试样进行电化学充氢和低应变率拉伸,研究应力状态对淬火态硼钢氢脆敏感性的影响;同时,使用SEM和EBSD对几种拉伸试样的断口形貌及断口附近材料的变形进行微观表征,分析应力状态对淬火态硼钢氢脆机理的影响。
1 实验方法
实验用B1500HS冷轧板材的厚度为1.4 mm,其化学成分列于表1。
表1 B1500HS钢的化学成分
Table 1
| C | Mn | B | Si | Cr | S | P | Fe |
|---|---|---|---|---|---|---|---|
| 0.21 | 1.26 | 0.003 | 0.35 | 0.23 | 0.06 | 0.005 | 97.88 |
为了得到完全的马氏体组织,根据针对具有高淬透性的B1500HS钢制定的热处理制度,先以5℃/s的速率将原始板料的温度升高到930℃并保持5 min以使其全部奥氏体化,然后快速转移到定制的室温模具中使其迅速闭合并施加一定的压力。于是板料上的温度因热量瞬间传导到模具而迅速降低,同时B1500HS钢良好的淬透性使板料中的奥氏体充分转变为马氏体组织。同时,模具的保压力还能保证板料不会因为相变而翘曲变形。图1给出了硼钢板料淬火前后的微观组织。可以看出,淬火前硼钢的组织是铁素体加少量的球状珠光体(图1a),而淬火后则完全转变为板条状的马氏体组织(图1b)。同时,从XRD谱可见,淬火后的硼钢中只在表征体心立方结构的α(110),α(200)和α(211)处出现衍射峰,表明用本文的方案淬火后的硼钢中马氏体转变非常充分,残余奥氏体可忽略不计(图2)。
图1
图1
硼钢淬火前后的微观组织
Fig.1
Micrograph of the boron steel as received (a) and as quenched (b)
图2
图3
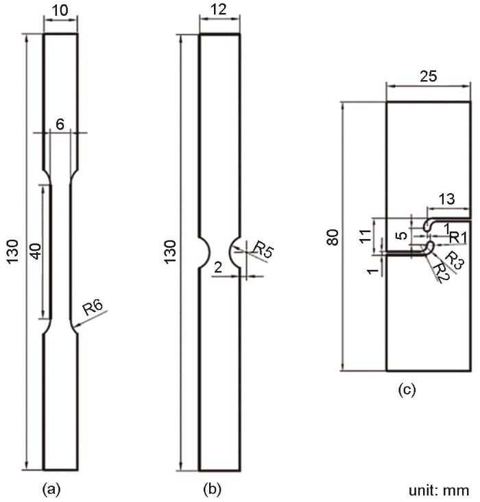
图3
单向拉伸试样、带缺口试样和简单剪切试样的尺寸
Fig.3
Dimension (length in mm) of the samples (a) Uniaxial tensile sample, (b) Notched sample and (c) Simple shear sample
图4
实验时用电化学方法对试样充氢,将铂电极作为阳极,将试样作为阴极,电流接通后在阴极上发生形式如
进行低应变率拉伸(SSRT)测试淬火态硼钢试样的氢脆效应[19]。使用Zwick/Roell Z100型拉伸实验机分别对未充氢和充氢后的试样在室温下以2×10-5 s-1的应变率进行拉伸实验,使用数字图像相关(DIC)系统实时采集试样变形过程中的应变。对每种试样都进行重复实验。用JEOL JSM-7800F型扫描电镜观察低应变率拉伸后试样断口的微观形貌征,工作电压为10 kV。用MIRA3 LHM型扫描电镜对试样断口附近区域进行EBSD表征,工作电压为20 kV。
2 实验结果
根据淬火态硼钢试样在充氢前后的低应变率拉伸的应力-应变曲线,分析不同应力状态下氢对淬火态硼钢力学性能的劣化程度;然后基于等效塑性应变建立不同应力三轴度下试样的氢脆敏感性,找出应力状态对淬火态硼钢氢脆敏感性的影响规律;最后根据对各试样充氢前后断口形貌的微观表征,分析淬火态硼钢在不同应力状态下的氢脆机理。
2.1 不同应力三轴度下氢对淬火态硼钢力学性能的影响
图5给出了对应不同应力三轴度的试样在充氢前后低应变率拉伸的应力应变曲线。可以看出,单向拉伸试样和带缺口试样在充氢前后的应力应变曲线相似,氢对两种试样力学性能的劣化都非常明显。这两种应力状态下的预充氢试样都在弹性变形阶段发生了断裂,断裂时的应力和应变与未充氢试样相比都明显降低。这表明,简单剪切试样充氢前后的断裂应变比另外两种试样的断裂应变大得多。同时,虽然在剪切应力状态下预充氢试样的断裂应变也有所降低,但是没有另外两种预充氢试样劣化的那么明显。同时还可以发现,在此应力状态下试样的屈服强度在充氢前后没有明显的变化。
图5
图5
单拉试样、带缺口试样和简单剪切试样充氢前后的应力应变曲线
Fig.5
Stree-strain curves of the H-free and H-charged samples (a) Uniaxial tensile sample and notched sample and (b) Simple shear sample
2.2 应力三轴度对淬火态硼钢氢脆敏感性的影响
因为试样的形状不同在低应变率拉伸过程中的变形方式不同,因此不能用传统的材料断裂延伸率量化试样的氢脆敏感性。本文提出,用等效塑性应变改变量量化试样的氢脆敏感性。由于等效塑性应变表征的是试样的空间整体变形量,与单个方向的材料延伸率相比更能体现试样拉伸后的变形程度,也更适用于不同形状试样之间变形程度的对比。等效塑性应变改变量的表达式为
式中EPloss为等效塑性应变的降低量,EPH-charged和EPH-free则分别为预充氢试样和未充氢试样的等效塑性应变。表2列出了用低应变率拉伸实验测得的三种试样充氢前后的等效塑性应变。
表2 代表三种不同应力三轴度的试样在预充氢和未充氢情况下的拉伸极限等效塑性应变
Table 2
| Sample | Equivalent plastic strain | |
|---|---|---|
| H-free | H-charged | |
| Uniaxial tensile | 0.225 | 0.018±0.005 |
| Notched | 0.167 | 0.022±0.002 |
| Simple shear | 0.396 | 0.203±0.005 |
图6
图6
淬火态硼钢在不同应力三轴度下的氢脆敏感性
Fig.6
HE susceptibility of the quenched boron steel under different stress triaxiality
2.3 不同应力三轴度下氢对淬火态硼钢断口微观形貌的影响
图7给出了简单剪切试样在充氢前后低应变率拉伸实验后的断口形貌。可以看出,充氢前简单剪切试样断口的整体形状沿剪切方向(RD)变形,而厚度方向(ND)的形状几乎没有变化,如图7a所示。同时,剪切断面上呈现出两种形貌特征。在靠近断口的边缘可见断面上位错滑移过程中形成的台阶,呈片层状排列,排列方向与剪切方向相同,如图7b所示;而在断口中心的断面则全部由韧窝组成,韧窝的形状因剪应力的作用在剪切方向上被拉长呈椭圆状,如图7c所示。另一方面,从图7d可见,充氢后的试样经低应变率拉伸后其断口整体变形不大。在微观上,在含氢试样靠近断口的边缘出现了更多细小的位错台阶,如图7e所示;而在断口的中心断面呈现位错台阶与韧窝混合的形貌,韧窝主要分布在位错台阶之间,如图7f所示。
图7
图7
未充氢和预充氢简单剪切试样断口的形貌
Fig.7
Fracture features of the simple shear sample (a) H-free sample,(b) and (c) are enlarged regions labelled as b and c in (a); (d) H-charged sample, (e) and (f) are enlarged regions labelled as e and f in (d)
图8
图8
未充氢和预充氢单拉试样断口的形貌
Fig.8
Fracture features of the uniaxial tensile sample (a) H-free sample, (b) is enlarged region labelled as b in (a); (c) H-charged sample, (d) and (e) are enlarged regions labelled as d and e in (c)
图9
图9
未充氢和预充氢试样断口的形貌
Fig.9
Fracture features of the notched sample (a) H-free sample, (b) is enlarged region labelled as b in (a); (c) H-charged sample, (d) and (e) are enlarged regions labelled as d and e in (c)
EBSD通过识别晶体中的晶格取向信息,从微观上表征了材料受到外加载荷时的变形程度。图10给出了各试样在充氢前后低应变率拉伸后紧邻断口表面的EBSD分析结果。可以看出,简单剪切试样未充氢和预充氢后的ND IPF图,均在断口表面以下因剧烈变形而产生的现纤维状组织。不同的是,未充氢试样中的纤维状组织分布比较均匀,而预充氢试样中的纤维状组织集中在断口边缘,而靠近断口中心的晶粒则比较完整。同时,从简单剪切试样的KAM图可以看出,未充氢试样和预充氢试样中的KAM值都比较高,而且扫描区域KAM的平均值几乎相等。这表明,两者在断裂过程中都发生了较大的塑性变形。但是从图像可见,未充氢试样较高的KAM值均匀分布,预充氢试样中较高的KAM值则靠近断口中心,而靠近断口边缘的KAM值比较低。这表明,预充氢试样在剪应力作用下发生断裂时断口中心的塑性变形高于断口边缘。以上的ND IPF图和KAM图都表明,在剪应力状态下预充氢的淬火态硼钢在断裂过程中氢的局部富集使材料发生了不均匀塑性变形,而剧烈的局部塑性变形加速了裂纹的生长从而使材料过早断裂。另一方面,单拉试样和带缺口试样的ND IPF图表明,在此两种状态下未充氢试样断口表面以下的晶粒在RD方向明显被外力拉长,同时此处的晶界因晶粒的严重变形而消失,晶体的组织变为纤维状组织;而预充氢试样中断口表面下方的晶粒则保持完整,表明在断裂过程中没有发生严重变形。同时,单拉试样和带缺口试样的KAM图表明,在未充氢试样中均匀地分布着大量较高的KAM值,表明在未充氢试样的断裂过程发生了明显的塑性变形,而预充氢试样中较高的KAM值则分布十分稀疏,并且集中在马氏体的板条边界。此外,扫描区域KAM的平均值也分别从未充氢试样的1.706°和1.318°降低到了预充氢试样的0.899°和0.896°。KAM值的显著降低,表明充氢后的单拉试样和带缺口试样在断裂过程中塑性变形明显减少,断裂模式由韧性断裂转变为脆性断裂。
图10
图10
各试样充氢前后断口表面下方的EBSD分析
Fig.10
EBSD result of each H-free or H-charged sample beneath the fracture surface
3 讨论
以往的研究结果表明,预充氢马氏体钢的氢致断裂行为,是氢降低了原奥氏体晶界结合能的HEDE机制和氢促进局部塑性的HELP机制共同作用的结果[20, 21]。本文的结果表明,高应力三轴度对应的拉伸应力状态能驱动淬火态硼钢中的位错向试样变形过程中产生最大应变的位置滑移(单拉试样的中心位置和缺口试样的边缘位置)。另外,预充氢试样中的位错可作为载体带动氢原子在马氏体钢中的原奥氏体晶界和马氏体板条边界移动[22]。因此,在实验的加载过程中氢原子先随着局部位错的滑移在单拉试样的中心和缺口试样边缘的原奥氏体晶界和马氏体板条边界富集,累积的大量氢原子不断降低此处界面的结合能,从而使微裂纹在原奥氏体晶界或马氏体板条边界上形核。而施加的拉伸应力在微裂纹尖端产生集中的正静水应力,驱使附近晶格间隙中的氢原子向此处偏聚。高度富集的氢原子进一步降低微裂纹尖端附近各界面之间的结合能,使微裂纹继续沿着原奥氏体晶界或者马氏体板条边界生长并形成沿晶断裂或者穿晶解理面的断口形貌特征,如图9d和图8e所示,此时的氢脆机理主要为HEDE机制。随着裂纹的扩展裂纹尖端富集的氢原子产生屏蔽效应从而显著降低周围位错的滑移阻力,使裂纹尖端附近发动滑移的位错数量增加。McLellan[23]认为,BCC结构的材料裂纹尖端附近位错的交互活动会形成大量的微孔洞,高密度的微孔洞又在位错活动的影响下不断合并,最终与扩展中的裂纹融合形成穿晶解理面与韧窝混合的准解理断口形貌,如图8d和9e所示,此时预充氢淬火态硼钢呈现出HEDE和HELP共同作用的氢脆机制。
低应力三轴度所对应的剪应力状态在试样变形区域形成均匀的剪切带,于是初始加载时材料中开动滑移的位错在剪切带中均匀分布,预充氢试样难以通过位错滑移形成氢原子的局部富集。另外,通过对简单剪切试样的数值仿真可知,试样在初始加载时在剪切带边缘形成净水应力集中区,从而使晶格间隙的氢原子在此处偏聚并通过附近局部位错的滑移在原奥氏体晶界或马氏体板条边界上富集,最终在此处偏聚的氢原子降低了界面结合能而生成了微裂纹。但是,剪切应力在剪切带内部不能形成正净水应力集中区,因此不能有效驱动氢原子在微裂纹尖端富集而使微裂纹无法继续沿原奥氏体晶界或马氏体板条边界生长。此时材料在剪切应力的作用下产生塑性变形时不断有新的位错形核和增殖,从而使局部位错密度显著提高。位错密度的提高又使位错处捕获的氢原子数量增加从而形成很多氢原子簇,大量氢原子簇汇聚成的氢气团在一定程度上屏蔽了位错周围的弹性障碍物,降低了位错滑移的阻力,使位错滑移成为裂纹扩展的主要动力,从而形成了以位错滑移台阶为主的断口形貌,如图7e所示。另一方面,局部大量滑移的位错在裂纹尖端形成剧烈的局部塑性变形而使裂纹尖端钝化,在一定程度上降低了裂纹的扩展速率。但是,剧烈的局部塑性变形也加速了裂纹与前方微孔洞的联合,使微孔洞来不及长大就被裂纹合并,形成了位错滑移台阶与韧窝混合的断口相貌特征,如图7f所示。由此可见,在剪切应力状态下预充氢淬火态硼钢的氢致裂纹扩展过程表现为以HELP机制为主导的氢脆机理。
综上所述,虽然淬火态硼钢在氢致开裂过程中存在着HEDE和HELP共同作用的氢脆机理,但是在不同的应力状态下裂纹扩展过程中起主导作用的氢脆机制是不同的,进而使宏观上的氢脆敏感性也存在差异。高应力三轴度对应的拉伸应力状态在淬火态硼钢中形成以HEDE为主导的氢脆机理,从而使材料具有很高的氢脆敏感性;而低应力三轴度对应的剪应力状态则在淬火态硼钢中形成以HELP为主导的氢脆机理,使材料对氢的敏感性较低。
4 结论
(1) 在不同应力三轴度下,氢劣化淬火态硼钢力学性能的程度不同。充氢后的淬火态硼钢在剪应力状态下断裂发生在塑性变形阶段,而在拉伸应力状态下断裂发生在弹性变形阶段。
(2) 应力三轴度对淬火态硼钢的氢脆敏感性有显著影响。在拉伸应力状态下硼钢的氢脆敏感性明显比剪应力状态下的高。
(3) 在不同应力三轴度下,淬火态硼钢的主导氢脆机制不同。在剪应力状态下充氢的淬火态硼钢的断口形貌具有位错台阶和韧窝混合的局部韧性断裂特征,其氢脆机理以HELP机制为主导;而在拉伸应力状态下断口的形貌则表现为由沿晶断裂或穿晶解理面向准解理特征过渡的脆性断裂模式,其氢脆机理以HEDE机制为主导。
参考文献
Research on the constitutive relationship of hot stamping boron steel B1500HS at high temperature
[J].Constitutive relationship of boron steel at high temperature is one of the most necessary mathematical models in the numerical simulation of hot stamping. It describes the relationship of the flow stress with strain, strain rate and temperature. In order to build the constitutive equations of boron steel B1500HS, some isothermal uniaxial tensile tests are performed at 600~900 ℃ with strain rate 0.01 s–1, 0.1 s–1, 1.0 s–1 and 10 s–1 by Gleeble 1500D thermo-mechanical simulator, and the true stress-strain curves at the relative conditions are gained. The modified Arrhenius model, which is a hyperbolic sine function including the deformation activation energy and deformation temperature, is used to describe the hot deformation activation character of austenite microstructure of boron steel. The material parameters depending on the strain, and the constitutive equations depending on the strain rate and deformation temperature, are attained by the regression analysis of experimental data. The experimental results show that, the flow stress rises with the decrease of the deformation temperature and the flow stress rises with the increase of the strain rate. The results show that the computational data using the constitutive relationships are consistent with the experimental data.
热冲压硼钢B1500HS高温本构方程的研究
[J].硼钢的高温本构方程是热冲压数值模拟不可缺少的数学模型,它反映了流动应力与应变、应变速度以及温度之间的依赖关系。为了研究热冲压硼钢B1500HS高温时的流变力学行为,采用Gleeble 1500D热模拟试验机,在600~900 ℃温度区间,分别以0.01 s–1、0.1 s–1、1.0 s–1、10 s–1的应变速度对硼钢B1500HS试样进行等温单向拉伸试验,计算得到各相应测试条件下的正应力—应变曲线。采用包含变形激活能和变形温度的双曲正弦形式修正的Arrhenius关系来描述硼钢奥氏体组织的热激活变形行为。通过对试验数据进行拟合回归分析,得到与应变量相关的各材料参数,以及与应变速度、变形温度相关的流变应力关系式。试验结果显示,流动应力随着变形温度的降低而增大,随着形变速度的升高而增大。计算结果表明:流变应力关系式的计算结果与试验数据的吻合度较好。
Hydrogen-induced intergranular fracture of steels
[J].
Hydrogen embrittlement (HE) phenomena and mechanisms
[J].
Effects of Cu addition on resistance to hydrogen embrittlement in 1 GPa-grade duplex lightweight steels
[J].
Hydrogen embrittlement in different materials: A review
[J].
Hydrogen embrittlement of hardened low-carbon sheet steel
[J].
Irreversible hydrogen embrittlement study of B1500HS high strength boron steel
[J].
Hydrogen degradation of a boron-bearing steel with 1050 and 1300MPa strength levels
[J].
Numerical analysis of hydrogen transport near a blunting crack tip
[J].
The diffusion and trapping of hydrogen in steel
[J].
Effect of surface machining and cold working on the ambient temperature chloride stress corrosion cracking susceptibility of AISI 304L stainless steel
[J].
Role of residual stresses induced by industrial fabrication on stress corrosion cracking susceptibility of austenitic stainless steel
[J].
Hydrogen embrittlement of low carbon structural steel at macro-, micro- and nano-levels
[J].
A review of research status of hydrogen embrittlement for automotive advanced high-strength steels
[J].<p>This paper overviewed the current research status and important results of the hydrogen embrittlement (HE) of the representative steel types from 1st to 3rd generation advanced high-strength steel (AHSS): transformation induced plasticity (TRIP) steel, twinning-induced plasticity (TWIP) steel, quenching & partitioning (QP) steel and medium manganese steel. The main conclusions are as follows: the HE sensitivity of TRIP steel is mainly reflected in the reduction of plasticity and the small loss of strength. The HE sensitivity of TWIP steel depends heavily on the strain rate, <i>i.e.</i>, the HE susceptibility is significantly increased as the strain rate decreases. Deformation twin boundaries and <i>ε</i>/<i>γ</i> phase interfaces are generally prone to hydrogen-induced cracking, while <i>Σ</i>3 annealing twin boundaries are not. However, the <i>ε</i>/<i>γ</i> phase interfaces with Nishiyama-Wassermann orientation relationship, which is similar to the <i>Σ</i>3 twin boundaries, could hinder the propagation of hydrogen-induced cracks. HE sensitivity of QP steel is similar to that of TRIP steel. For medium manganese steel containing a large volume fraction of austenite phase, which result in a strong TRIP effect during deformation, the HE susceptibility represented by plasticity loss and strength loss is very high. For TRIP steel, QP steel and medium manganese steel with austenite structure, the main strategy to improve their hydrogen embrittlement is to control the morphology and distribution of austenite structure; for TWIP Steel, the measures to improve hydrogen embrittlement can be taken by controlling the prestrain rate and Al Alloying.</p>
汽车用先进高强钢的氢脆研究进展
[J].本文总结了第一代~第三代先进高强钢的各自典型代表钢种——相变诱发塑性钢(TRIP钢)、孪晶诱发塑性钢(TWIP钢)、淬火配分钢(QP钢)和中锰钢的氢脆研究现状和重要结果。主要结论为,TRIP钢的氢脆敏感性主要体现在塑性降低,而强度损失不大。TWIP钢的氢脆敏感性严重依赖于应变速率,即随应变速率降低而显著增加;形变孪晶界和ε/γ相界面易发生氢致开裂,而Σ3退火孪晶界不易开裂;深入研究表明,当ε/γ相界面满足西山取向关系时,则与Σ3孪晶界类似,能够阻碍氢致裂纹扩展,这一结论将不同学者的结果统一起来。QP钢的氢脆敏感性与TRIP钢相似。中锰钢因含有较多的奥氏体相,变形时伴随着强烈的TRIP效应,氢脆敏感性较大,既有明显的塑性损失也有较大的强度损失。对含有奥氏体组织的TRIP钢、QP钢和中锰钢等,调控奥氏体组织的形态和分布是改善其氢脆的主要对策;而对TWIP钢则可通过控制预应变速率和Al合金化等措施来改善氢脆。
Hydrogen-assisted decohesion and localized plasticity in dual-phase steel
[J].
The synergistic action and interplay of hydrogen embrittlement mechanisms in steels and iron: Localized plasticity and decohesion
[J].
The detrimental effect of hydrogen at dislocations on the hydrogen embrittlement susceptibility of Fe-C-X alloys: An experimental proof of the HELP mechanism
[J].
Internal and surface damage of multiphase steels and pure iron after electrochemical hydrogen charging
[J].
The influence of microstructure on the hydrogen embrittlement susceptibility of martensitic advanced high strength steels
[J].
Hydrogen redistribution under stress-induced diffusion and corresponding fracture behaviour of a structural steel
[J].
Microstructure effect on hydrogen-induced cracking in TM210 maraging steel
[J].
The role of hydrogen in hydrogen embrittlement fracture of lath martensitic steel
[J].
/
| 〈 |
|
〉 |
