应力三轴度对淬火态硼钢氢脆敏感性的影响 |
| 张渤涛, 李淑慧, 李永丰, 韩国丰 |
|
Effect of Stress Triaxiality on Hydrogen Embrittlement Susceptibility of Quenched Boron Steel B1500HS |
| ZHANG Botao, LI Shuhui, LI Yongfeng, HAN Guofeng |
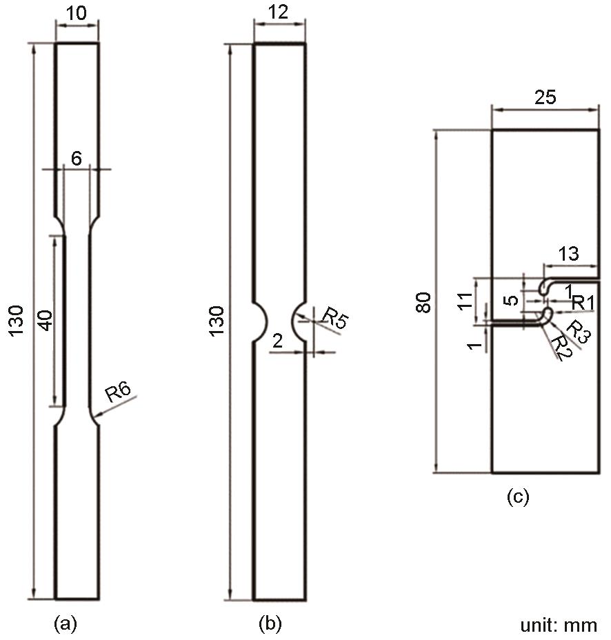
| 图3 单向拉伸试样、带缺口试样和简单剪切试样的尺寸 |
| Fig.3 Dimension (length in mm) of the samples (a) Uniaxial tensile sample, (b) Notched sample and (c) Simple shear sample |
|