材料研究学报(中文版)  2018 , 32 (2): 105-111 https://doi.org/10.11901/1005.3093.2017.223

研究论文

应变速率对低温拉伸316LN奥氏体不锈钢微观组织和力学性能的影响

李会鹏1, 熊毅12, 路妍12, 贺甜甜1, 范梅香1, 任凤章12

1 河南科技大学材料科学与工程学院 洛阳 471023
2 有色金属共性技术河南省协同创新中心 洛阳 471023

Effect of Strain Rate on Microstructure Evolution and Mechanical Property of 316LN Austenitic Stainless Steel at Cryogenic Temperature

LI Huipeng1, XIONG Yi12, LU Yan12, HE Tiantian1, FAN Meixiang1, REN Fengzhang12

1 School of Materials Science and Engineering, Henan University of Science and Technology, Luoyang 471023, China
2 Collaborative Innovation Center of Nonferrous Metals, Henan Province, Luoyang 471023, China

中图分类号:  TG113

文章编号:  1005-3093(2018)02-0105-07

通讯作者:  通讯作者 熊 毅,教授,xy_hbdy@163.com,研究方向为先进钢铁材料及其激光表面改性

责任编辑:  LI HuipengXIONG YiLU YanHE TiantianFAN MeixiangREN Fengzhang

收稿日期: 2017-03-31

网络出版日期:  2018-02-20

版权声明:  2018 《材料研究学报》编辑部 《材料研究学报》编辑部

基金资助:  国家自然科学基金(51201061),河南省高校科技创新人才支持计划(17HASTIT026),河南省科技攻关计划(152102210077),河南省国际科技合作计划(172102410032),河南省教育厅科技计划(16A430005),河南科技大学科技创新团队(2015XTD006)

作者简介:

作者简介 李会鹏,男,1992年生,硕士生

展开

摘要

以两种应变速率(5×10-4 s-1和1×10-2 s-1,分别代表慢速拉伸和快速拉伸)对316LN奥氏体不锈钢板状试样进行低温(-40℃)单轴拉伸实验,借助金相显微镜(OM)、透射电镜(TEM)、扫描电镜(SEM)、X射线衍射仪(XRD)及三维形貌轮廓仪分析了拉伸变形过程中的微观组织演变和力学性能变化规律。结果表明,316LN奥氏体不锈钢在低温拉伸条件下发生形变诱导马氏体相变,且马氏体转变量随着应变速率的增加而减少;屈服强度随着应变速率的增加而升高,抗拉强度和延伸率则随着应变速率的增加而降低;拉伸断口形貌均呈现出典型的韧性断裂特征。变形组织均以位错缠结和T-M(Twin-matrix)层片状组织为主,随着应变速率的增加,位错缠结程度加剧,T-M层片状组织的层片间距减小。

关键词: 金属材料 ; 316LN奥氏体不锈钢 ; 应变速率 ; 微观组织 ; 力学性能 ; 形变诱导马氏体相变

Abstract

The uniaxial tensile property of 316LN austenitic stainless steel (ASS) plate at -40 ℃was examined by strain rates of 5×10-4 s-1 and 1×10-2 s-1 respectively, while the microstructure evolution was characterized by means of OM, TEM, SEM, XRD and 3D profile profiler. The results showed that the deformation induced martensite transformation occurred in 316LN austenitic stainless steel at cryogenic temperature, and the martensite transformation decreased with the increase of strain rate. The yield strength increased with the increase of strain rate, while the tensile strength and elongation decreased with the increase of strain rate. The tensile fractured surface showed typical ductile fracture. The deformed microstructure composed mainly of dislocation tangles and T-M(twin-matrix)lamellar structures. With the increase of strain rate, the dislocation tangles aggravated and the interlamellar spacing of T-M(twin-matrix)lamellar structures reduced.

Keywords: metallic materials ; 316LN ASS ; strain rate ; microstructure ; mechanical properties ; deformation induced martensite transformation

0

PDF (5278KB) 元数据 多维度评价 相关文章 收藏文章

本文引用格式 导出 EndNote Ris Bibtex

李会鹏, 熊毅, 路妍, 贺甜甜, 范梅香, 任凤章. 应变速率对低温拉伸316LN奥氏体不锈钢微观组织和力学性能的影响[J]. 材料研究学报(中文版), 2018, 32(2): 105-111 https://doi.org/10.11901/1005.3093.2017.223

LI Huipeng, XIONG Yi, LU Yan, HE Tiantian, FAN Meixiang, REN Fengzhang. Effect of Strain Rate on Microstructure Evolution and Mechanical Property of 316LN Austenitic Stainless Steel at Cryogenic Temperature[J]. Chinese Journal of Material Research, 2018, 32(2): 105-111 https://doi.org/10.11901/1005.3093.2017.223

316LN奥氏体不锈钢是亚稳态合金,在一定温度下以不同应变速率塑性变形会导致应变诱发马氏体转变速率和转变量的变化,从而表现出不同的力学行为,屈服强度、抗拉强度、延伸率等性能指标都会随着应变速率的变化而发生明显改变。应变速率对奥氏体不锈钢力学行为和塑性失稳的影响,直接关系到它在服役过程中的表现,因此也导致该方面的研究更具有实际意义和应用价值。Talonen等[1]研究了室温下AISI301LN和AISI304奥氏体不锈钢在不同应变速率条件下的应变诱导马氏体转变行为及其对机械性能的影响规律,结果表明高应变速率条件下引起的绝热温升可抑制应变诱导马氏体相变,从而大幅降低了不锈钢的塑性指标。刘伟等[2]也做了类似的研究工作,结果表明在相同应变速率条件下AISI301L钢的形变诱导马氏体转变量远远高于AISI304不锈钢,快速拉伸导致两种钢均较快发生塑性失稳及均匀延伸率大幅降低,AISI301L钢的应变速率敏感性远大于AISI304不锈钢。叶丽燕等[3]研究了不同拉伸速率对AISI304不锈钢室温拉伸力学性能的影响,结果表明随着拉伸速率的提高,材料的屈服强度增加,抗拉强度和延伸率明显降低,试样温度升高的同时马氏体转变量明显减少。黑志刚等[4]则研究了温度和应变速率对316LN 钢抗拉强度和断面收缩率的影响规律,但并未考虑低温下应变速率对316LN不锈钢力学性能的影响。Reddy等[5,6,7]研究了高温下应变速率对不同氮含量的316LN奥氏体不锈钢低周疲劳行为与微观组织演变规律,结果表明,在该试验温度范围下,316LN发生动态应变时效和回复现象,且回复占据主导地位,最优的氮含量对应着最佳的低周疲劳性能,但对低温下奥氏体不锈钢的力学性能和微观组织演变也未作相关报道。上述的研究工作均在室温或高温下进行,而对低温下奥氏体不锈钢的组织响应与力学性能变化未作相关研究报道。Lee等[8]借助单轴拉伸实验研究了AISI300(AISI304L、AISI316L、AISI321、AISI347)系列奥氏体不锈钢在低温环境下不同应变速率对其力学行为的影响规律,发现温度和应变速率的变化对强度指标的影响存在着明显的差异,但是对其拉伸过程中的微观组织演变(形变诱导马氏体)未作相关报道。Byun等[9,10]系统研究了辐射、温度和应变对316LN变形组织的影响规律,结果表明,随着辐射剂量、应变的增加或者试验温度的降低,变形组织发生明显改变,由位错缠结转变成大量层错和孪晶带相混合的形变组织,但未考虑应变速率对形变组织的影响规律。Barat等[11]研究了AISI304LN奥氏体不锈钢在低温环境下的拉伸变形行为,发现该钢的强度和塑韧性均随实验温度的下降而显著升高,其根本原因在于形变诱导马氏体的产生,且马氏体转变量随着温度的降低而增加的缘故。但其也未对不同应变速率作用下的微观组织演变作相关报道。因此,本文拟以316LN奥氏体不锈钢为研究对象,重点研究低温下不同应变速率拉伸对奥氏体不锈钢组织和力学性能的影响规律,为拓宽316LN奥氏体不锈钢的应用范围提供实验依据和技术支撑。

1 实验方法

实验材料316LN不锈钢用150 kg真空感应炉熔炼,经锻造及热轧成厚17 mm的板材,其主要化学成分(质量分数,%)为:C 0.01,Si 0.49,Mn 0.87,Cr 17.09,Ni 14.04,Mo 2.56,N 0.14,余量为Fe。将所得316LN不锈钢板材进行1050 ℃,保温120 min的固溶处理,所得单相奥氏体金相组织如图1所示,等轴状奥氏体晶粒尺寸约为80~100 μm左右。将经过固溶处理后的316LN不锈钢板材采用线切割的方法加工拉伸试样,拉伸试样的标距尺寸为15 mm(L)×3 mm(W)×1 mm(T),试样的具体尺寸如图2所示,单轴拉伸实验在带有环境试验箱的UTM4104电子万能试验机上进行,实验温度控制在-40℃左右,向环境试验箱里充入液氮进行温度控制。拉伸应变速率为5×10-4 s-1和1×10-2 s-1,分别代表慢速拉伸和快速拉伸实验状态[2]。在拉伸变形断裂后的试样断口附近截取透射试样,机械减薄至40 μm后在JEM-2010型透射电子显微镜(TEM)上进行精细组织的观察,电子加速电压为200 kV。采用Surf Nanofocus AG三维表面形貌轮廓仪表征拉伸断口附近试样纵深高度的变形情况。借助D8 ADVANCE 型X 射线衍射仪(XRD)分析应变速率对316LN奥氏体不锈钢断口附近组织物相的影响规律,采用Cu-Kα射线,扫描角度范围为35~100°,步长0.02°,管电压为40 kV,管电流为40 mA。分别选用奥氏体相(γ)的(200)、(220)、(311)衍射峰和马氏体相( α')的(200)、(211)、(220)衍射峰,不同变形量变形后试样中的马氏体含量(体积分数)为

Vα=1nj=1nIα'j/Rα'j1nj=1nIα'j/Rα'j+1nj=1nIγj/Rγj

式中,n,IR分别对应相( α'γ)衍射峰的个数、衍射峰强度因子和材料散射因子,取3次不同位置测量的平均值为相应试样中马氏体含量的值。

图1   316LN不锈钢固溶处理后的组织

Fig.1   Microstructure of 316LN stainless steel after solution treatment

图2   拉伸试样示意图

Fig.2   The dimension of tensile sample (unit: mm)

借助JSM-5610LV型和S-4800型扫描电子显微镜(SEM)分别对试样的断口形貌和试样断口附近的表面形貌进行观察分析,电子加速电压均为20 kV。

2 结果和讨论

2.1 微观组织演变

图3所示为316LN奥氏体不锈钢在-40℃条件下不同应变速率拉伸断口附近处的微观组织形貌,其中图3a和b分别为5×10-4 s-1和1×10-2 s-1两种应变速率条件下金相组织照片,可以看出,在两种应变速率条件下,奥氏体不锈钢均以位错滑移来协调剧烈的拉伸变形。随着应变速率的增大,晶粒变形程度明显增加,晶粒被拉长为扁平状或者长条状,晶界清晰可辨,滑移带的数量明显增多,但是在应变速率较小的情况下,不同方向的滑移带之间的交互作用显著加剧。相应的透射电镜形貌如图3c和d所示,图3c为应变速率为5×10-4s-1条件下的微观组织形貌,奥氏体不锈钢经过拉伸变形后,组织内部由于大量位错的增殖,造成位错密度的增加,位错发生滑移的同时相互反应形成了位错缠结,同时在变形组织中也可观察到形变孪晶的产生,且形变孪晶宽度较宽,将奥氏体基体分割成T-M层片状组织;与此同时,不同方向的形变孪晶发生交互作用,进一步细化奥氏体基体。形变孪晶的生成是由于在层错能较低的316LN奥氏体不锈钢中位错容易发生塞积并产生应力集中。这使得孪生方向的分切应力达到临界应力值,塑性变形便开始以孪生的方式进行[12]。相应的选区电子衍射图谱(SAED)也证实了变形组织中形变孪晶的存在。当应变速率增加至1×10-2 s-1时,组织内部位错密度显著增加,位错缠结程度明显加剧,形变孪晶数量进一步增多的同时孪晶宽度明显变窄,相应的T-M层片状组织的层片间距也有所减小,如图3d所示。由于316LN奥氏体不锈钢的层错能大约为10 mJ/m2左右[13],研究表明,低层错能的奥氏体不锈钢主要通过位错滑移、形变孪晶以及马氏体相变的方式来协调剧烈的塑性变形过程,而相应的影响变形机制的因素主要包括材料的成分、晶粒尺寸、应变速率及变形温度等[14]。在本实验条件下,材料的成分和晶粒尺寸以及变形温度均一定的情况下,影响变形机制的主要就是应变速率因素,随着应变速率的提高,奥氏体不锈钢的变形组织中位错缠结程度加剧,同时伴随着T-M层片状组织层片间距的减小。

图3   -40℃下316LN奥氏体不锈钢不同应变速率下断口附近处的微观组织形貌

Fig.3   Microstructure of 316LN stainless steel with different strain rates at -40℃ (a, c) 5×10-4 s-1; (b, d) 1×10-2 s-1

2.2 力学性能

316LN奥氏体不锈钢不同应变速率下的应力-应变曲线如图4所示。从中可以看出,低温下316LN奥氏体不锈钢的强度指标均高于普通室温条件,但高应变速率条件下的延伸率低于普通室温条件,同一应变速率条件下低温下的延伸率略高于普通室温条件。应变速率为5×10-4 s-1时,奥氏体不锈钢的屈服强度和抗拉强度分别为230 MPa、660 MPa,相应的延伸率大约为86%;当应变速率升至1×10-2 s-1时,奥氏体不锈钢相应的力学性能指标分别为260 MPa、592 MPa、72%左右;而室温下相对应的性能指标则分别为192 MPa、512 MPa、85%左右。从而可以得出,低应变速率变形条件下奥氏体不锈钢的抗拉强度和延伸率显著高于高应变速率条件下,但相应的屈服强度却正好相反,高应变速率条件下试样的屈服强度明显高于低应变速率条件下。屈服强度的升高可以用位错理论进行解释,随着应变速率的提高,应变量迅速增大的同时导致位错快速增殖,造成大量位错滑移聚集,进而发生塞积形成位错缠结,形成大量高密度位错区与位错胞状组织,使位错运动阻力增大导致其强度增大。同时对于316LN奥氏体不锈钢这类低层错能金属,应变速率的提高更容易引发形变孪晶的形成,从而更快产生加工硬化,使屈服强度升高。另一方面,随着应变速率的增加,快速拉伸的变形热导致试样温升更快,试样的温度升高使得奥氏体的层错能也随之升高,提高了奥氏体组织的稳定性[2],马氏体相变热力学驱动力减小,形变诱发马氏体的转变速度和转变量低于低应变速率拉伸试样,进而导致其抗拉强度降低和延伸率下降。文献[2]和文献[8]中也报道了类似的实验现象。

图4   -40℃下316LN不锈钢的应力-应变曲线

Fig.4   Stress-strain curves of 316LN stainless steel at -40℃

2.3 XRD分析

图5所示为奥氏体不锈钢在-40℃不同应变速率下试样断口附近处的XRD图谱,相对于固溶处理态(单一奥氏体相)而言,低温状态下拉伸试样XRD图谱均出现了明显的马氏体衍射峰,表明在低温拉伸变形过程中出现了形变诱导马氏体相变,分析结果显示马氏体转变量随着应变速率的下降而逐渐增加。应变速率为1×10-2s-1时拉伸断口附近变形组织中马氏体含量为17.3%,当应变速率降低至5×10-4 s-1时拉伸断口附近变形组织中马氏体含量为34.9%,后者是前者的两倍之多。奥氏体不锈钢中形变诱发马氏体相变过程受到应变量、应变速率、应力状态和变形温度等因素的影响,应变量越大则材料组织内部产生的缺陷越多,马氏体容易在缺陷处形核[15]。应变速率越高,在试样内部产生的形变热就越大,试样温升也就越高,试样温度上升相当于提高了奥氏体相的稳定性,增加了相应的层错能,从而使得高应变速率条件下奥氏体发生形变诱导马氏体相变的速率大大下降,导致马氏体体积分数也明显低于低应变速率条件下。Shrinivs等[16]认为,受层错能的影响,316L不锈钢中马氏体的形核主要出现在剪切带的交汇处,在本实验条件下,也观察到了类似的现象,如图3c所示,马氏体的形核主要集中在形变孪晶的交互位置或孪晶与位错相互交割的部位;低温下316LN不锈钢拉伸变形后的组织中能观察到形变诱发马氏体相变组织,而在室温下则没有发生马氏体相变,本文的研究结果有力地支持了上述文献观点。

图5   -40℃下拉伸试样的XRD图谱

Fig.5   XRD patterns of the tensile samples at -40℃

2.4 拉伸断口形貌

316LN奥氏体不锈钢不同应变速率拉伸变形前、后断口附近处的试样纵深高度变化及三维表面形貌如图6所示。可以看出,未拉伸变形前,抛光后的试样表面纵深高度较为均匀一致,约在0.2 μm左右,如图6a、b所示;随着应变速率的降低,316LN奥氏体不锈钢变形程度更加充分完全,慢速拉伸条件下颈缩现象十分明显,表明试样在变形过程中经历了充分的塑性变形,相应的试样表面的纵深高度也由180 μm缓慢下降至60 μm左右,如图6c、d所示;而在快速拉伸条件下,316LN不锈钢在变形初期表现出良好的塑性变形能力,然而在变形后期并未经历明显的颈缩过程就快速发生了断裂,试样表面的纵深高度也由150 μm缓慢下降至120 μm左右之后迅速降低至0 μm,如图6e、f所示。不同应变速率下对应断口附近表面的SEM照片如图6g、h所示。在低应变速率条件下,试样经历充分塑性变形后滑移带数量众多,且不同方向的滑移带交互作用,与图3a观察到的现象一致,因此试样表面纵深高度变化较为剧烈,以至于表面出现了较多的裂纹,如图6g所示;而在高应变速率条件下,虽然也出现了众多的滑移带,但滑移带之间的距离相对于慢速拉伸条件下明显变窄,滑移带之间的交互作用也显著变弱,因此试样表面纵深高度变化较为平缓,试样表面的裂纹数量也较少,如图6h所示。SEM观察结果和3D形貌表征结果吻合较好。

图6   316LN不锈钢不同应变速率拉伸变形前后的表面形貌

Fig.6   Morphologies of 316LN austenitic stainless steel at different strain rates (a, b) before deformation; (c, d) 5×10-4 s-1; (e, f) 1×10-2 s-1; (g) SEM, 5×10-4 s-1; (h) SEM, 1×10-2 s-1

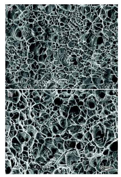
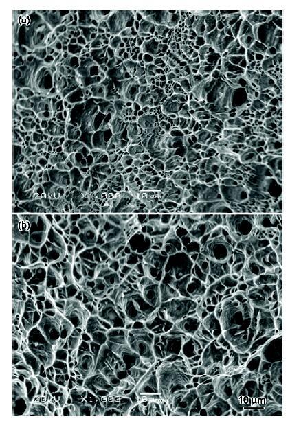
图7所示为316LN奥氏体不锈钢不同应变速率拉伸变形后的断口形貌照片,从图中可以看出,不同应变速率条件下的拉伸断口均呈现出典型的韧性断裂特征。在高应变速率条件下,断口处韧窝形态和尺寸不均匀,大量小而浅的韧窝密布断口表面,局部区域出现少量大而深的韧窝,如图7a所示;随着应变速率的减小,断口处韧窝形态和尺寸明显趋于均匀,断口表面密布着大而深、尺寸约在8~10 μm左右的等轴状韧窝,如图7b所示。断口形貌之所以出现明显差异的原因在于两方面:其一是在相同应变量下应变速率越低其变形过程时间也就越长,形变诱导马氏体量逐渐增多(图5),就越容易发生相变诱导塑性(TRIP)效应,马氏体作为硬质第二相钉扎位错,致使位错难以运动,从而延迟了塑性失稳的发生,相应的塑性指标也就越好;其二就是高应变速率下热效应的影响,研究表明高应变速率下拉伸变形试样温升幅度显著高于低应变速率条件下[17],而试样温度上升能显著抑制形变诱导马氏体转变的发生,所以低应变速率条件下形变诱导马氏体量高于高应变速率。因此在低应变速率条件下塑性明显优于高应变速率条件。与此同时,随着变形温度的降低,奥氏体不锈钢变形组织中开始出现了形变孪晶,且形变孪晶的数量随着应变速率的增大而增加,如图3c、d所示,奥氏体不锈钢此时还可能出现孪晶诱发塑性(TWIP)效应进一步增强其塑性指标;然而前已述及,应变速率的增加意味着变形作用时间越短,试样温升明显,显著增加了奥氏体组织的稳定性,导致马氏体转变量较小,研究表明,快速拉伸变形组织和热效应均不利于形变诱导马氏体转变,必然导致过早发生塑性失稳[18]。即便如此,低温下以较快的应变速率进行拉伸变形后的延伸率仍显著高于高温下慢应变速率条件下的延伸率[19],其主要原因就在于TWIP效应和TRIP效应共同作用所致。

图7   -40℃下316LN奥氏体不锈钢不同应变速率下的断口形貌

Fig.7   Fracture surface morphologies of 316LN stainless steel at different strain rates under temperatures of -40℃ (a) 1×10-2 s-1; (b) 5×10-4 s-1

3 结论

(1) 在不同的应变速率条件下低温拉伸均可导致316LN奥氏体不锈钢发生形变诱导马氏体相变,且马氏体转变量随着应变速率的降低而增加。屈服强度随着应变速率的增加而升高,抗拉强度和延伸率则随着应变速率的增加而降低,相应的断口形貌均呈现出典型的韧性断裂特征。

(2) 低温拉伸条件下,316LN奥氏体不锈钢的变形组织均由位错缠结和T-M层片状组织组成,随着应变速率的增加,位错缠结程度加剧,T-M层片状组织的间距越来越窄。

(3) 低应变速率条件下奥氏体不锈钢发生了充分的塑性变形,颈缩现象明显,而在高应变速率条件下,奥氏体不锈钢前期表现出良好的塑性变形能力,后期颈缩现象不明显。

(责任编辑:吴 岩)

The authors have declared that no competing interests exist.


/