温度与应变速率对GH4151合金拉伸变形的影响
1.
2.
3.
Effect of Temperature and Strain Rate on Tensile Deformation Behavior of GH4151 Ni-based High-temperature Alloy
1.
2.
3.
通讯作者: 张瑞,研究员,rzhang@imr.ac.cn,研究方向为高品质变形高温合金设计与制造;崔传勇,研究员,chycui@imr.ac.cn,研究方向为变形高温合金及其制备技术
收稿日期: 2025-08-18 修回日期: 2025-11-12
Corresponding authors: ZHANG Rui, Tel:
Received: 2025-08-18 Revised: 2025-11-12
作者简介 About authors
李 璞,男,1995年生,工程师
在400~650 ℃对GH4151镍基高温合金进行拉伸实验,应变速率为0.005~0.02 min-1,研究了温度与应变速率对其拉伸变形的影响。结合其微观组织和断口形貌,揭示了这种合金的变形和断裂机制。结果表明:这种合金在400 ℃出现PLC效应,温度高于500 ℃时溶质原子加速扩散使PLC效应消失;在600~650 ℃拉伸,γ′相硬化和基体软化的共同作用使拉伸强度在600 ℃达到峰值后在650 ℃下降。合金的高温(≥ 600 ℃)拉伸断口呈现“匕首”形剪切特征,且其晶界上的几何必须位错(GND)密度提高,易引发沿晶开裂。应变速率的提高(0.02 min-1)促进加工硬化和局部应变集中,而低应变速率(0.005 min-1)更利于塑性变形。
关键词:
The effect of temperature and strain rate on the tensile deformation behavior of GH4151 nickel-based superalloy was investigated via tensile test at temperatures ranging from 400 oC to 650 oC and strain rates from 0.005 min-1 to 0.02 min-1. Then the variation of microstructure and fracture surface was examined to elucidate the deformation mechanisms and fracture features. The results show that the alloy exhibits the Portevin-Le Chatelier (PLC) effect at 400 oC, which disappears above 500 oC due to accelerated solute atom diffusion. Between 600 and 650 oC, the combined effect of γ′ phase hardening and matrix softening results in the tensile strength reaching a peak at 600 oC, followed by a decrease at 650 oC. At higher temperatures (≥ 600 oC), the fracture surface displays “dagger-shaped” shear features, and the increased density of geometrically necessary dislocations (GNDs) at grain boundaries promotes intergranular cracking. Higher strain rates (0.02 min-1) enhance work hardening and local strain concentration, while lower strain rates (0.005 min-1) facilitate more uniform plastic deformation. This research provides a good reference for optimizing the microstructure control and engineering applications of GH4151 alloy.
Keywords:
本文引用格式
李璞, 郝肖杰, 叶祎, 张瑞, 王影, 王凯, 丁斌, 崔传勇, 赵春玲.
Li Pu, HAO Xiaojie, YE Yi, ZHANG Rui, WANG Ying, WANG Kai, DING Bin, CUI Chuanyong, ZHAO Chunling.
近年来,关于温度和应变速率对高温合金力学行为影响的研究取得了显著进展。研究表明,高温合金的变形机制和力学性能强烈依赖温度和应变速率的变化。Zhu等[12]发现,一种粉末高温合金在室温条件下的变形机制主要是强耦合位错剪切γ′相形成滑移带。这种合金在550~650 ℃出现堆垛层错(SFs)剪切γ′相和基体并在750 ℃形成高密度的Lomer-Cottrell (L-C)锁,导致其发生反常屈服;在850 ℃变形机制转变为Orowan绕过、孤立堆垛层错和变形孪晶。Leng等[13]通过实验和分子动力学模拟也发现,第三代低成本单晶高温合金在760 ℃出现L-C锁使其屈服强度异常。Ding等[14]对一种新型Ni-Co基合金的研究表明,从室温到550 ℃这种合金主要通过位错滑移和SFs变形;而当温度高于650 ℃时纳米级变形孪晶逐渐成为主导机制,使合金的中温屈服强度优异。王娜等[15]在不同温度下测试增材制造GH4169合金时发现,动态应变时效使合金在450~550 ℃的应力-应变曲线呈现出明显的锯齿状。Niu等[16]研究了应变速率对镍基单晶高温合金在900 ℃变形行为的影响,发现应变速率较低(0.001 s-1)时Co和Cr在γ′相中富集,层错能的降低促使堆垛层错的形成和出现应变软化;而应变速率较高(0.1 s-1)时γ′相中的位错以反相畴界(APB)剪切为主形成Kear-Wilsdorf (K-W)锁结构,阻碍位错运动而导致加工硬化。张波等[17]研究拉伸速率对Mar-M247合金高温强度的影响时发现,较高的横梁位移速率引起的位错形成速率、数量和堆积程度越高其强度越高。
对高温合金变形行为的研究取得了重要成果,但是关于温度和应变速率协同作用的研究不足。同时,对GH4151合金这种高γ′相含量新型材料独特的微观结构对温度和应变速率敏感性的响应及其机制,也有待深入研究。基于此,本文研究温度和应变速率对GH4151合金拉伸变形的影响。
1 实验方法
用三联冶炼工艺(即真空感应熔炼(VIM)+电渣重熔(ESR)+真空电弧重熔(VAR))冶炼实验用GH4151合金,并对铸锭在1120~1170 ℃进行锻造和镦盘,随后进行固溶+双重时效的热处理。固溶处理制度为在1140 ℃保温4 h空冷,第一级时效处理制度为850 ℃保温4 h空冷,第二级时效处理制度为780 ℃保温16 h空冷。实验用GH4151合金的成分(质量分数)为:C 0.03%,Cr 10.9%,Mo 4.53%,W 2.9%,Al 3.7%,Co 15%,V 0.6%,余量为Ni。
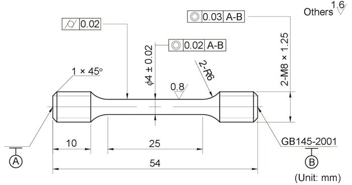
拉伸试样的尺寸如图1所示,其标距段长度为20 mm,标距段直径为4 mm。在400 ℃、500 ℃、600 ℃和650 ℃进行拉伸实验,应变速率分别为0.005 min-1,0.01 min-1,0.02 min-1,在拉伸过程中屈服前后应变速率保持一致,所有试样都拉至断裂以观察断口形貌。
图1
用Axio Observer Z1型光学显微镜(OM)观察合金的微观组织,将试样机械研磨和抛光后用过饱和Kalling试剂(100 mL HCl + 100 mL C2H5OH + 50 g CuCl2)化学腐蚀10~20 s。用INSPECT F50型场发射扫描电子显微镜(SEM)表征合金的微观组织和断口形貌,将测试样品断口用超声清洗;对观察和统计γ′相形貌尺寸的样品进行电解腐蚀,电解腐蚀的电压为5 V,时间为15 s,电解腐蚀剂的成分为:170 mL H3PO4 + 10 mL H2SO4 + 15 g CrO3。用配有EBSD模块的ZEISS Gemini SEM 300场发射扫描电子显微镜观察拉伸断口纵向截面的组织,表征前须将样品机械抛光+振动抛光,用VibroMet 2全自动振动抛光机对试样振动抛光(振动10 h以上)。用附带EDS的FEI Talos F200X型透射电子显微镜(TEM)观察位错特征,观察用的600 μm厚薄片试样取自距断口3~5 mm处,用电火花切割机切取;将试样机械研磨至50 μm厚,然后用冲孔机将其冲剪成直径为3 mm的圆形薄片。最后,用电解双喷减薄仪对薄片进行电解减薄。电压为25 V,温度约为-28 ℃,双喷液成分为:10% HClO4 + 90%C2H6O。
2 实验结果
2.1 GH4151合金的微观组织
实验用GH4151合金的微观组织如图2所示。可以看出,合金中的晶粒尺寸分布均匀,平均晶粒尺寸约为31 μm,超过60%的晶粒尺寸为10~30 μm;合金中三种晶粒尺寸的γ′相分别分布在合金晶内和晶界,尤其是大尺寸的初生γ′相,多分布于三叉晶界。这些沉淀相多为球形,其平均颗粒尺寸约为6 μm,大约50%的初生γ′相尺寸为4~6 μm;晶粒内近立方状的二次γ′相其平均颗粒尺寸约为150 nm;二次γ′相之间还有纳米级的三次γ′相。此外,在合金中还能观察到两种不同的碳化物,分别为大尺寸的块状MC碳化物和沿着晶界分布的非连续析出相M23C6。
图2
图2
合金的初始组织
Fig.2
Initial microstructure of the studied alloy (a) OM map, (b) grain size distribution chart, (c) intragranular γ′ phase morphology, (d) grain boundary morphology
2.2 GH4151合金的拉伸性能
图3给出了GH4151合金在不同条件下拉伸的应力-应变曲线。可以看出,在400 ℃拉伸这种合金的弹性段变形均匀,曲线呈直线型平滑地上升;应力范围提高到屈服强度后,能观察到应力-应变曲线出现了锯齿形波动;对于常见的金属材料,即使在超过屈服强度的应力状态下其应力-应变曲线也是平滑变化的,但是实际上这种锯齿形应力-应变曲线并非“异常”。这种锯齿形波动称为“Portevin-Le Chatelier effect”, PLC效应),是动态应变时效(Dynamic strain aging, DSA)引起的,其本质是在变形过程中材料中的位错运动与溶质原子的相互作用所致[18,19]。PLC效应受拉伸温度的影响,拉伸温度升高到500 ℃合金其拉伸应力-应变曲线的PLC效应消失。这表明,在此温度拉伸时溶质原子的扩散速度的提高使其与位错移动速度不匹配,溶质原子不能钉扎位错而使PLC效应消失,即合金的应力-应变曲线变得平滑。合金在600 ℃三种不同应变速率下拉伸时其应力-应变曲线没有较大的差别,其弹性阶段呈线性增长,屈服后应力平滑而缓慢地提高。在650 ℃三种不同应变速率的应力-应变曲线表明,应变速率对合金的强度和塑性影响较大。应变速率较高时合金的强度较高,应变速率较低时其塑性则有所提高。
图3
图3
在不同温度拉伸时合金的应力-应变曲线
Fig.3
Engineering stress-strain curves of the studied alloy at various conditions (a) 400 oC, (b) 500 oC, (c) 600 oC, (d) 650 oC
2.3 拉伸试样断口的形貌
为了确定合金在不同条件下的断裂方式和变形行为,表征和分析了合金的断口组织。图4给出了在不同应变速率和不同温度下合金拉伸的宏观断口SEM照片。可以看出,合金在400 ℃拉伸时应变速率对其宏观断口形貌没有明显的影响;温度升高到500 ℃,应变速率较低时合金的断口仍较为平坦;但是应变速率较高时断口中出现了明显的“匕首”形结构,说明在合金断裂的末期出现了剪切断裂特征;温度进一步升高到600 ℃和650 ℃,在低应变速率和高应变速率下在断口均出现“匕首”形结构。这些结果表明,合金的断裂方式受温度和应变速率两种因素的影响:在较低的温度下变形时合金的断裂方式受应变速率的影响较小;随着温度升高至600 ℃以上,即使应变速率较低也呈剪切断裂的特征。在两种应变速率和四种应变温度下,合金的宏观断口没有太大的差别,而在高温下合金的断口倾向于断裂末期的切变断裂模式,出现一个与应力方向成一定角度的“匕首”形断口形貌。
图4
图4
在不同条件下合金的宏观拉伸断口
Fig.4
Macroscopic fracture morphologies of studied alloy at different conditions
图5
图5
在400 ℃不同应变速率下合金的拉伸断口微观形貌
Fig.5
Microscopic fracture morphologies of the studied alloy at 400 oC and different strain rates (a-d) 0.005 min-1, (e-h) 0.02 min-1
如上所述,应变速率为0.005 min-1时在合金的断口中可见明显的二次裂纹结构、破碎状碳化物、部分解理台阶以及大量的韧窝结构,且韧窝尺寸较小、深度较浅。上述特征表明,合金的断裂方式为韧脆混合型断裂;应变速率为0.02 min-1时在合金断口中也有破碎状碳化物和大量的小尺寸韧窝,表明合金的断裂方式没有明显的改变,但是与低应变速率的断口相比没有明显的解理断裂特征,且在高应变速率下断口出现了部分晶界脱粘。其原因可能是,在高应变速率下晶界不能及时协调变形,使部分晶界开裂引起脱粘。
在650 ℃不同应变速率下合金拉伸断口的微观形貌如图6所示。可以看出,应变速率为0.005 min-1时断口出现了尺寸较小的韧窝结构、破碎的MC型碳化物和部分解理面。这表明,与在400 ℃/0.005 min-1条件的断口相比,断口的组织变化不大,即在应变速率为0.005 min-1条件下温度对断裂形式的影响并不显著。应变速率为0.02 min-1时,断口中出现大量的韧窝结构、MC型析出相以及少量的解理面。
图6
图6
在650 ℃不同应变速率下合金的拉伸断口微观形貌
Fig.6
Microscopic fracture morphologies of the studied alloy at 650 oC and different strain rates (a-d) 0.005 min-1, (e-h) 0.02 min-1
2.4 合金的拉伸变形组织
为了进一步分析合金变形行为的差异,对其纵向断口的变形组织进行了EBSD表征。在600 ℃应变速率为0.02 min-1时拉伸,合金的变形组织如图7a~c所示。从图7a(IPF图)可以看出,拉伸后合金中的晶粒仍保持各向异性,部分大尺寸晶粒的颜色不均匀,如图中的黑色箭头所示。这表明,在拉伸变形过程中大尺寸晶粒发生偏转,使单个晶粒内部出现了取向差;图7b给出了组织中的局部取向差(KAM)示意图,可见变形组织的局部应力集中和位错密度的分布。可以看出,KAM值较大的区域基本上分布在断口附近,出现了少量的微裂纹,如图中的箭头所示;图7c给出了合金变形组织的几何必须位错(GND)示意图。可以看出,合金的GND在晶界的累积较为明显。颜色较亮的区域位于晶界,表明在变形过程中在晶界局部的应变不均匀。
图7
图7
在0.02 min-1速率下拉伸变形组织的EBSD数据分析
Fig.7
EBSD data analysis of the deformed microstructure after tensile testing at a rate of 0.02 min-1 (a-c) 600 oC, (d-f) 650 oC, (a, d) IPF map, (b, e) KAM map, (c, f) GND map
图7d~f给出合金在650 ℃应变速率为0.02 min-1条件下拉伸变形组织的示意图。图7d(IPF图)表明,合金的晶粒在拉伸变形后保持着各向异性,且部分区域晶粒的颜色不均匀,表明晶粒发生了偏转。但是与在600 ℃拉伸相比,此时偏转的晶粒尺寸较小(黑色箭头所示)。这表明,在温度较高的情况下热激活使晶粒软化而使小尺寸晶粒偏转;图7e给出了合金的KAM示意图,可见应力集中的局部区域仍分布在断口附近。而在远离断口的区域,应力集中明显减弱。进一步观察可见,与在600 ℃条件下相比,此时在断口附近的组织中有更多的微裂纹,如图中箭头所示,其原因可能是在更高温度下晶界弱化和严重的氧化使开裂更易沿晶发生;从图7f可见,合金的GND主要存在于断口附近的晶内,如圆圈所示,而在远离断口的区域GND则主要分布在晶界附近。其原因是,在断口附近合金的应变较大,在晶内和晶界产生了大量位错结构。在远离断口的区域晶内变形协调性较高,产生的大量位错运动到晶界受阻,使晶界的GND密度提高。
3 讨论
3.1 温度对合金拉伸性能的影响
这种合金的屈服强度和拉伸强度随温度的变化,如图8所示。可以看出,随着温度从400 ℃提高到600 ℃合金的拉伸强度随之提高,在650 ℃拉伸时强度明显下降,而其屈服强度随着变形温度从400 ℃提高到600 ℃不断降低,温度升高到650 ℃屈服强度明显提高。其原因是,温度升高时γ相基体发生软化,但是γ′析出相的强度却随着温度升高而提高。在400~600 ℃内升温,γ基体的软化效果被γ′析出相的硬化效果抵消而出现了拉伸强度的提高。而当温度升高到650 ℃基体进一步软化的效果大于γ′相的硬化,使其拉伸强度明显降低。
图8
图8
合金的拉伸强度随着温度的变化
Fig.8
Tensile strength of the alloy varies with temperature (a) 0.005 min-1, (b) 0.01 min-1, (c) 0.02 min-1
同时,在400 ℃合金的应力-应变曲线表现出明显的PLC效应,即锯齿形波动。这种现象是DSA引起的,本质上是位错运动与溶质原子(如Cr、Co、C等)相互作用的结果。在较低的温度下溶质原子的扩散较慢,对位错的钉扎使位错运动受阻,在应力-应变曲线上表现为应力增大;当施加的应力足以使位错脱钉时位错突然滑移,在应力-应变曲线上表现为应力下降。钉扎和脱钉的发生,导致应力-应变曲线出现锯齿形波动。但是,温度升高到500 ℃时PLC效应消失。其原因是,在高温下溶质原子的扩散速率显著提高使位错运动速度与溶质原子的扩散速率不再匹配,溶质原子不能钉扎位错而使应力-应变曲线变得平滑。在600 ℃和650 ℃的高温条件下,合金的变形机制进一步发生变化。在高温下热激活效应的显著增强使位错的运动能力提高和γ′相的强化效果较低。特别是在650 ℃,合金的强度对应变速率、塑性对温度的变化更为敏感。高温使晶界弱化加剧,导致合金在变形过程中更容易沿晶界开裂和使断口中的微裂纹增多。
温度对合金的断裂方式也有重要影响。在400 ℃和500 ℃的较低温度下,合金的断裂方式以韧脆混合型为主,在断口中可见二次裂纹、解理面和浅韧窝。随着温度升高至600 ℃以上,在断口中出现“匕首”形结构,表明在断裂末期剪切断裂特征增强。这种变化,与高温下晶界弱化和局部应变集中有关。温度的升高促进了晶粒的偏转。EBSD分析结果表明,在650 ℃小尺寸晶粒的偏转更为明显,说明在高温下热激活效应促进了晶内变形的协调性。但是,晶界上的GND增加也表明,在高温下晶界成为变形的薄弱环节,容易引发沿晶开裂。
3.2 应变速率对合金拉伸性能的影响
实验结果表明,应变速率的变化显著影响GH4151合金的强度、塑性以及变形机制。在400 ℃和500 ℃的较低温度下,应变速率对合金的断裂方式影响较小,断口形貌均表现为韧脆混合型特征。但是,随着应变速率从0.005 min-1提高到0.02 min-1,断口中的解理面减少和晶界脱粘增多。这表明,在较高的应变速率下位错的增殖和运动速率提高,使晶界处的位错堆积更为严重和局部应力集中加剧,从而引发晶界开裂。在600 ℃和650 ℃的高温条件下,应变速率的影响更为显著。在高应变速率(0.02 min-1)下合金的强度较高而塑性较低;而在低应变速率(0.005 min-1)下,合金的塑性显著提高。这种差异,与变形过程中的位错运动与动态回复的竞争有关。在高应变速率下位错增殖较快使动态回复难以充分进行,位错密度迅速提高,加工硬化效应显著,使合金的强度较高。而在低应变速率下位错有足够的时间通过动态回复和重排释放应力,变形更为均匀而使塑性得以提高。
断口的形貌表明,在高应变速率下合金断口中的“匕首”形结构更为明显,表明剪切断裂特征增强。这与高应变速率下局部应变集中和绝热温升效应有关。EBSD分析结果表明,在高应变速率下断口附近的GND密度更高,且晶内的位错累积更为显著,进一步验证了局部应变的不均匀性加剧。
4 结论
(1) 在较低的温度(400 ℃)下GH4151合金表现出PLC效应,且随着拉伸温度的提高合金的拉伸强度先升高后降低,屈服强度先降低后升高。合金拉伸强度的变化是在高温下基体软化和γ′析出相硬化综合作用的结果。
(2) 随着拉伸温度的升高合金断口逐渐出现剪切断裂的特征,合金内部微孔的形成促进了裂纹形成和扩展,导致合金提前断裂。
(3) 在较高温度(650 ℃)下拉伸变形,促进小尺寸晶粒组织的偏转以及协调晶内变形,最终引起合金晶界处的几何必须位错集中,还引起晶界氧化而使合金沿晶开裂的趋势加剧。
参考文献
Development of wrought superalloy in China
[J].
中国变形高温合金研制进展
[J].概述了近10年来我国变形高温合金的研制情况。介绍了航空发动机用涡轮盘材料718Plus,GH4720Li,GH4065合金的特点,燃烧室用GH3230合金以及燃气轮机用GH4706合金的研制进展。并对变形高温合金热加工新技术进行了总结,包括针对易偏析材料开发的ERS-CDS新工艺,改善变形高温合金棒材组织的反复镦拔工艺,提升高性能难变形高温合金热塑性的缓冷处理和热机械循环处理技术。最后,展望了我国变形高温合金产业的未来。
Hot deformation behavior and flow stress modeling of coarse-grain nickel-base GH4151 superalloy ingot materials in cogging
[J].
Portevin-Le Châtelier effect in wrought Ni-based superalloys: experiments and mechanisms
[J].The Portevin-Le Chatelier (PLC) effect is a plastic instability in alloys at certain strain rates and deformation temperatures. This plastic instability exhibits serrated yielding in the temporal domain and strain localization in the spatial domain. Wrought Ni-based superalloys often exhibit the PLC effect. To guarantee the safe and stable operation of equipment, it is important to study the PLC effect in wrought Ni-based superalloys. This paper provides a review of various experimental phenomena and micromechanisms related to the PLC effect in wrought Ni-based superalloys, which have been reported in various publications in recent years and include work from our own group. The influences of stacking fault energy and γ′ precipitates on the PLC effect in wrought Ni-based superalloys are also discussed in detail. Additionally, several suggestions for the future study of the PLC effect in wrought Ni-based superalloys are provided.
Tensile behavior and fracture mechanism of hard-to-deform GH4151 superalloy
[J].GH4151 is a heavy alloy, hard-to-deform Ni-based superalloy with service temperatures reaching up to 750-800 oC. It is an important candidate material for high-temperature alloys used in the turbine disks of the new-generation advanced aeroengines. During service, the rapid superposition of temperature and stress makes turbine disks susceptible to damage. This study explores the use of hard-to-deform GH4151 alloy used for turbine disks. The tensile behavior of the GH4151 alloy within a temperature range of 23-950 oC was investigated using advanced techniques such as SEM, TEM, EDS, and EPMA. The microstructural changes, deformation microstructure, and their impact on the fracture mechanism were analyzed, and the fracture failure mechanisms of the alloy at various temperatures were elucidated. The results indicate that yield strength and tensile strength initially decrease gradually, followed by a rapid decline with increase in experimental temperature. Meanwhile, elongation after fracture of the alloy decreased initially and increased with increasing experimental temperature. The fracture mode transitioned from a mixed fracture to an intergranular fracture. Further research showed that during tensile testing at temperatures of 23-550 oC, deformation primarily occurred in the γ channels, with a significant accumulation of dislocations at the γ/γ′ interfaces. This led to the tearing of the γ/γ′ interfaces and the formation of microvoids, which in turn generated a transgranular fracture. The intergranular fracture within the mixed-fracture mode is attributed to the stress concentration at MC carbide interfaces, resulting in the formation of voids. During tensile testing at temperatures of 650-800 oC, cracks were initiated via an intergranular fracture, and propagated through mixed-fracture modes. Deformation occurred simultaneously in the γ channels and the γ′ phase. Dislocation pile-up at the grain boundaries accelerated the enrichment of O atoms toward the elastic stress fields or the enrichment of defects at the grain boundaries under high-temperature and high-stress conditions. Such enrichment led to dynamic embrittlement of the grain boundaries, causing intergranular fracture, which reduced the elongation after fracture. As the strain increased, crack propagation was accelerated, reducing the time available for the O atoms to dynamically embrittle the grain boundaries. When the accumulation of dislocations at the γ/γ′ interfaces reached a critical value, crack propagation shifted to a mixed-fracture mode dominated by transgranular fracture. During tensile testing at 950 oC, cracks were initiated and propagated via intergranular fracture. The morphology of the γ′ phase changed to an approximately spherical shape, reducing the hindrance to dislocation motion. This reduction did not lead to the coalescence of microvoids at the γ/γ′ interfaces, and thus, no transgranular fracture occurred in the samples tested at 950 oC. Because of the decrease in tensile strength at 950 oC, the external stress applied was reduced, and crack propagation slowed down, elongation was increased.
GH4151难变形高温合金的拉伸行为及其断裂失效机制
[J].为探明服役过程中温度和应力快速叠加造成的涡轮盘损伤,本工作以涡轮盘用难变形GH4151合金为例,采用SEM、TEM、EDS和EPMA等表征手段,研究了不同温度下GH4151合金的拉伸行为和显微组织演化规律,分析了拉伸断裂失效机制。结果表明,随实验温度升高,GH4151合金的塑性呈现出先减小后增大的趋势,断裂方式由混合断裂逐渐向沿晶断裂转变。共格γ/γ′界面和MC界面位错塞积是导致混合断裂产生的主要原因,晶界位错塞积加速了高温高应力下O原子向晶界弹性应力场或缺陷处的富集,导致晶界动态脆化,引起沿晶断裂,造成GH4151合金在650~800 ℃高温拉伸时塑性下降。950 ℃拉伸时,GH4151合金强度迅速下降,裂纹以较慢的速率扩展,导致塑性增加。
Study on microstructure of GH4151 nickel-based superalloy bar
[J].
GH4151镍基高温合金棒材微观组织研究
[J].
Effect of primary γ′ phase on deformation characteristics and dynamic recrystallization behavior of GH4151 alloy
[J].
一次γ′相对GH4151合金高温变形特性及动态再结晶行为的影响
[J].
Evolution behavior of complex precipitation phases in highly alloyed GH4151 superalloy
[J].Designing high-performance aeroengine is important for development in the aviation industry. One of the key components is turbine disk material that can operate at 800oC. Among various methods for strengthening alloys, increasing the alloying degree is important, and GH4151 is one of the typical alloys with a high alloying degree. It comprises a large number of refractory metal elements and γ'-forming elements. OM, SEM, and JMatPro software were used to study the sensitivity of GH4151 microstructure evolution during heat treatment processes. The results show that a high alloying degree produces a complex microstructure with low-melting phases, such as Laves, γ/γ′ eutectic, and η phases. Due to the difference in incipient melting temperature of each precipitated phase, a three-stage heat treatment was developed to effectively eliminate the harmful phases in the alloy. The contents of segregation elements Nb and Ti in the as-cast GH4151 alloy have an obvious influence on the incipient melting temperature, whereas the effect of Mo content is relatively slight, and that of W content is not obvious. Decreasing Ti content while increasing Nb and Mo contents could reduce the incipient melting temperature of the η phase. Furthermore, increasing Ti and Mo contents while decreasing Nb content could reduce the incipient melting temperature of Laves phase. A large amount of γ'-forming elements contributes to the cooling rate sensitivity of γ′ phase evolution. 15oC/min is the critical value for the irregular growth of the γ' phase in the GH4151 alloy. When compared to alloys with low γ′-forming elements content, the γ′ phase in GH4151 alloy has a larger size when the cooling rate is > 15oC/min, and exhibits an irregular shape when the cooling rate is < 15oC/min. Thus, a high alloying degree contributes to the complex and sensitive microstructure evolution behavior of GH4151 alloy.
高合金化GH4151合金复杂析出相演变行为
[J].
Effect of carbon addition on microstructure and mechanical properties of a typical hard-to-deform Ni-base superalloy
[J].
The cracking behavior of the new Ni-based superalloy GH4151 in the triple melting process
[J].
Temperature dependence of tensile deformation behaviors in a novel powder metallurgy Ni-based superalloy with high density nanoscale γ′ phase
[J].
Effect of temperature on tensile properties of a third-generation low-cost single crystal superalloy: experiments and molecular dynamics simulations
[J].
Effect of test temperature on deformation microstructure and tensile property of a novel Ni-Co-based superalloy
[J].
Tensile Properties and deformation mechanism of additive manufacturing superalloy at different temperatures
[J].The typical superalloy GH4169 was prepared by selective laser melting (SLM), and then subjected to appropriate post-heat treatments, afterwardsits tensile properties was assessed in temperature range 25~650 oC. The microstructure evolution, tensile behavior at different temperatures were examinedby scanning electron microscopy and transmission electron microscopy, and the corresponding deformation mechanism of SLM GH4169 alloy was disscussed. The results show that the tensile curves of the of SLM GH4169 alloy are monotonic and smooth at 25 oC, 600 oC and 650 oC, but those at 450~550 oC are sawtooth-like. With the increasing test temperature, the tensile strength and yield strength of the SLM GH4169 alloy decreases from 1458 MPa to 1228 MPa and 1234 MPa to 1051 MPa respectively. The relationship between tensile strength and temperature of the SLM GH4169 is roughly linear with an error is less than 2%.The strengthening phases may obstruct the dislocation movement and plays a certain strengthening role in the temperature range 25~450 oC. While in the range 550~650 oC, slip bands may be the main deformation mode, and δ phases also has an adverse effect on tensile properties.
增材制造高温合金在不同温度下的拉伸性能与变形机制
[J].
Rate-related high-temperature deformation of nickel-based single-crystal superalloys
[J].
Effect of tensile rate on high temperature strength of Mar-M247 nickel base superalloy
[J].
拉伸速率对Mar-M247镍基高温合金高温强度的影响
[J].
Portevin-Le Châtelier effect in a wrought Ni-Co based superalloy
[J].
Portevin-Le Chatelier (PLC) effect induced by different deformation mechanisms in Ni-25Mo-8Cr alloy during high-temperature tensile deformation
[J].Uniaxial tensile testing explored the Portevin–Le Chatelier (PLC) effect in nickel‐based superalloys featuring high Mo/Cr mass ratios, focusing on the influence of variations in the initial microstructure on the deformation behavior at room and elevated temperatures. Experimental results indicated that the PLC effect was observed solely in the high‐temperature tensile curves. However, the deformation mechanisms and characteristics of the PLC effect varied with different initial microstructures. Solid solution (SS) and over‐aged (OA) samples exhibited C‐type serrations, while under‐aged (UA) and peak‐aged (PA) specimens, featuring short‐ and long‐range ordered phases, respectively, exhibited A + B type serrations in their tensile curves. Microstructural evolution from the SS to the UA, PA and OA states changed their stacking fault energy (SFE), leading to a sequential transformation in the plastic deformation mechanisms during high‐temperature tensile deformation: stacking fault (SF) → nanotwin → microtwin → SF. C‐type serrations in the SS samples were associated with high solute‐atom contents and SF formation. The PLC effects in the UA and PA samples were predominantly caused by solute atom pinning dislocations. Although precipitates and twins were not the primary drivers of the PLC effect, they impeded dislocation migration, exacerbated solute‐atom segregation and enhanced dislocation pinning, generating A + B‐shaped serrations. In the OA specimens, precipitated phases induced interfacial mismatch under thermal‐force coupling. SF shearing of the precipitated phase and subsequent re‐dissolution facilitated the formation of C‐type serrations, whose PLC effect was induced by the combined action of dynamic strain aging (DSA), SFs of the matrix and diffusion‐controlled pseudo‐locking mechanisms.
/
| 〈 |
|
〉 |
