高温回火对低碳中锰钢微观组织和力学性能的影响
Effect of Tempering Temperatures on Microstructure and Mechanical Property of a Test Low-carbon Medium-manganese Steel
通讯作者: 师仲然,高级工程师,18001263520@126.com,研究方向为高强船体结构钢
收稿日期: 2024-11-25 修回日期: 2025-03-21
| 基金资助: |
|
Corresponding authors: SHI Zhongran, Tel:
Received: 2024-11-25 Revised: 2025-03-21
| Fund supported: |
|
作者简介 About authors
展之德,男,1997年生,硕士
将低碳中锰钢Fe-4Mn-3.5Ni-2Cu-0.05C-0.018Nb-0.018Ti在860 ℃淬火1 h后水冷,再分别在600、640和670 ℃回火2 h,然后分别用JBN-300C摆锤冲击实验机和WE-300液压拉伸实验机进行冲击实验和拉伸实验。结果表明,在不同温度回火的实验钢,其微观组织均由回火马氏体/铁素体+逆转变奥氏体+新鲜马氏体构成。随着回火温度的提高实验钢的抗拉强度和加工硬化指数随之提高,屈服强度和低温冲击功降低。在600和640 ℃回火的实验钢,其抗拉强度的提高主要依赖相变诱导塑性效应生成的新鲜马氏体,其加工硬化性能随着回火温度的提高而改善。回火温度提高到670 ℃新鲜马氏体的含量显著提高,虽然加工硬化能力和抗拉强度进一步提高,但是实验钢变得硬而脆和颈缩提前,从而使其延伸率降低。低温冲击功降低的原因,一个是逆转变奥氏体机械稳定性降低和相变缓解应力集中的效果减弱,使裂纹形成功降低;另一个是孪晶和块状逆转变奥氏体数量的增多导致断裂模式转变为晶间断裂,裂纹易沿着孪晶界和原奥氏体晶界高速扩展而降低了裂纹扩展功。实验钢中Nb/TiC的析出,有助于晶粒细化。同时,回火温度的提高使富Cu相粗化,使实验钢的屈服强度显著降低。
关键词:
Hot rolled plates of a low-carbon medium-manganese test steel 4Mn (Fe-4Mn-3.5Ni-2Cu-0.05C-0.018Nb-0.018Ti, in mass fraction) were heated at 860 oC for 1 h and then water quenching, followed by tempering treated at 600, 640, and 670 °C for 2 h respectively. Next, the effect of tempering process on the microstructure and mechanical property of the steel plates was assessed via SEM+EBSD, XRD, TEM, pendulum impact testing machine and hydraulic tensile testing machine. The results indicate that the microstructure of the steels tempered at different temperatures is composed of tempered martensite/ferrite + reversed austenite + fresh martensite. With the increasing tempering temperature, the ultimate tensile strength and work hardening index increase sequentially, while the yield strength and low-temperature impact toughness decreases sequentially. For tempering at 600 and 640 oC, the increase in ultimate tensile strength is primarily due to the transformation-induced plasticity effect formed by a fresh martensite, with the improving work hardening capability of the steel gradually as the temperature rises. For tempering at 670 oC, the content of fresh martensite significantly increases, enhancing the work hardening capacity and further boosting the ultimate tensile strength. However, the steel becomes excessively hard and brittle, leading to premature necking and a reduction in elongation. The decrease in low-temperature impact toughness is due to two factors, on one hand the mechanical stability of reversed austenite decreases, weakening its ability to mitigate stress concentrations through transformation, resulting in a reduction in the energy required for crack initiation; on the other hand, the increase of twins and blocky reversed austenite leads to a shift in the fracture austenite grain boundaries, thereby reducing the crack propagation energy. The precipitation of Nb/TiC in steel can help refine the grain size. In addition, the Cu-rich phase coarsens with the increase of tempering temperature, significantly reducing the yield strength.
Keywords:
本文引用格式
展之德, 刘琪琪, 董敬文, 祁震, 罗小兵, 柴锋, 师仲然.
ZHAN Zhide, LIU Qiqi, DONG Jingwen, QI Zhen, LUO Xiaobing, CHAI Feng, SHI Zhongran.
开发海洋资源,亟需高强、高韧和易焊接的船体钢[1]。锰含量为3%~12%的中锰高强钢机械性能和耐磨性优异,可用于制造汽车和船舶[2, 3]。中锰高强钢的强度和塑性良好,能承受较大的载荷和冲击,是第三代先进高强钢(AHSS)的候选者[4, 5]。中锰钢优异的力学性能源于其马氏体+逆转变奥氏体双相组织。这种微观组织得益于合金成分的独特设计和高温回火热处理工艺。中锰钢中的逆转变奥氏体使其低温韧性显著改善[6,7]。王长军等[8]对3.5Mn钢进行两相区淬火生成了大量薄膜和板条结构的逆转变奥氏体,使其-120 ℃的冲击功达到120 J。Wu等[9]、Zhou等[10]和潘涛[11]在钢中马氏体板条间生成的薄膜状逆转变奥氏体使裂纹偏折改善了钢的低温韧性。钢中逆转变奥氏体的尺寸、分布状态、稳定性和含量都影响其低温韧性[12~16]。同时,逆转变奥氏体能在钢的拉伸过程中发生相变诱导塑性(TRIP)效应,使其塑性和强度同时提高。Zou等[17]控制轧制工艺在5Mn-1.4Ni-0.12V钢中产生层状微观结构,使其抗拉强度达到1145 MPa,延伸率达到23.2%。Wang等[18]将钢中新鲜马氏体的体积分数从9.8%提高到57.8%,使其对抗拉强度的贡献从13.7%提高到68.8%,使钢的最高抗拉强度达到1150 MPa。
使中锰钢中逆转变奥氏体与析出相适当结合,是研发性能优异的高强韧中锰体系船体钢的关键。逆转变奥氏体的生成和析出相的变化,都与回火温度密切相关。但是,现有关于在高温回火条件下逆转变奥氏体的演变规律及其对冲击中裂纹的形成和扩展的影响的研究较少。鉴于此,本文对一种低碳中锰钢进行淬火+回火的热处理,研究回火温度对其力学性能的影响。
1 实验方法
实验钢的化学成分(质量分数,%)为:Fe-4Mn-3.5Ni-2Cu-0.25Si-0.05C-0.018Nb-0.018Ti-0.038Al(记为4Mn钢)。用真空感应炉熔炼4Mn钢,然后铸成50 kg的钢锭,最后锻造成尺寸为150 mm × 110 mm × 60 mm的板坯。将板坯加热到1200 ℃均质化处理2 h后进行5道次轧制,每次的压下率不低于20%,最终轧制成厚度为12 mm的板材。
从钢板上截取若干个直径为3 mm长度为10 mm的标准试样,用Formaster-FII全自动相变仪上测出4Mn钢在平衡状态下的奥氏体转变开始温度Ac1 (630 ℃)和终了温度Ac3 (775 ℃),并据此确定热处理参数。热处理制度为:860 ℃淬火1 h + 600 ℃/640 ℃/670 ℃回火2 h。
使用尺寸为10 mm × 10 mm × 55 mm的夏比V形缺口标准样和JBN-300C摆锤冲击实验机进行冲击实验。实验时用液氮冷却保温,实验温度分别为-40、-60和-84 ℃。对在-60 ℃进行实验的试样额外进行示波冲击,记录力-位移-能量曲线。
在拉伸样品上沿着垂直于轧制方向截取半螺纹圆棒试样,其直径为5 mm、标距为25 mm。在WE-300液压拉伸实验机上进行室温拉伸实验。每种条件下的冲击和拉伸实验测试3个平行试样,取其结果的平均值。
使用Quanta 650扫描电镜(SEM)观察冲击断口形貌和微观组织。用配备D8 ADVANCE的X射线衍射仪(XRD)检测试样中的奥氏体含量。奥氏体的体积分数(Vγ )[23]为
式中Iγ 和Iα 分别为奥氏体相和铁素体相衍射峰的强度。制备试样使用的电解抛光液为6% (质量分数)高氯酸酒精溶液,电压为25 V,电解时间10 s。使用配备EDAX Velocity Super超快电子背散射衍射(EBSD)探头的JSM-7200F场发射扫描电镜分析实验钢的EBSD晶体取向,步长为0.2 μm,像素为600 × 600。制备EBSD实验样品的方法与测试XRD谱试样的相同。用加速电压为200 kV的JEM-F200冷场发射透射电子显微镜/FEI F30高分辨透射电子显微镜(TEM)和自带100 mm2电制冷能谱仪(EDS)观察表征逆转变奥氏体和析出相的分布和形态。TEM试样的制备:先从金相样上切取厚度为0.3 mm的薄片,再将其机械研磨成50 um厚的薄片并冲成带有孔径为3 mm小孔的圆片。最后在6%的高氯酸酒精溶液中(电压为25 V,温度为-20 ℃)进行电解双喷减薄。
根据EBSD相图检测逆转变奥氏体的含量和分布。用碳膜复型萃取法表征在不同温度回火后4Mn钢中的析出相。
2 实验结果
2.1 回火温度对微观组织的影响
图1给出了4Mn钢淬火态和在不同温度回火后的SEM照片。可以看出,4Mn钢淬火后的组织几乎全为淬火马氏体(QM)。在3个温度回火的4Mn钢其微观组织类型相同,均由逆转变奥氏体(Reversed austenite)+新鲜马氏体(FM)+回火马氏体(TM)/铁素体(F)构成。新鲜马氏体是在逆转变奥氏体惯习面上生成的,与逆转变奥氏体母体保持切变共格,因此二者在扫描电镜下难以区分,需要更加微观的检测方法。随着回火温度的提高4Mn钢中逆转变奥氏体+新鲜马氏体的占比随之提高(白色的条状或块状凸起区域),回火马氏体/铁素体的占比降低。新鲜马氏体的生成,使得在较高温度时效热处理重新出现马氏体强化,使4Mn钢保持较高的抗拉强度[24]。
图 1
图 1
4Mn钢淬火和回火后的SEM照片
Fig.1
SEM images of quenching and tempering of 4Mn steel (a) quenched, (b) 600 oC, (c) 640 oC, (d) 670 oC
图2a~c给出了在600、640和670 ℃回火后的EBSD相图,图中的红色部分表示逆转变奥氏体。可以看出,随着回火温度的提高4Mn钢中逆转变奥氏体的含量先提高后降低。在640 ℃回火后逆转变奥氏体的含量达到28.1%,明显比在其余两个温度回火的逆转变奥氏体含量高。其原因是在670 ℃回火本应生成更多的逆转变奥氏体,但是在600 ℃回火与在670 ℃回火的钢中奥氏体的含量几乎相同。其原因是,在670 ℃回火后钢中的大部分逆转变奥氏体在冷却过程中转变为新鲜马氏体。图中黑色线代表取向差大于15°的大角度晶界;绿色线为取向差大于2°,小于15°的小角度晶界。逆转变奥氏体主要分布在晶界,特别是在大角度晶界。大角度晶界的能量较高,有大量的缺陷和畸变,是逆转变奥氏体的主要形核点[25]。在不同温度回火后逆转变奥氏体的平均尺寸,如图2d~f所示。可以看出,逆转变奥氏体平均尺寸的变化与含量变化的趋势相同。正是这些微米级的逆转变奥氏体,使中锰钢具有优良的塑性。
图 2
图 2
4Mn钢的EBSD像和逆转变奥氏体晶粒尺寸分布
Fig.2
EBSD images (a-c) and reversed austenite grain size distribution (d-f) of 4Mn steel (a, d) 600 oC, (b, e) 640 oC, (c, f) 670 oC (Black line 15°, 2° Green line 15°)
EBSD的检测区域微小,因此进一步根据XRD谱分析4Mn钢中逆转变奥氏体的含量。4Mn钢的XRD谱如图3a所示。可以看出,在不同温度回火的4Mn钢的谱中,奥氏体的衍射峰明显不同,特别是(002) γ 和(200) γ 的衍射峰。在淬火后4Mn钢的谱中只出现了α-Fe特征峰,没有γ-Fe的特征峰。这表明,在4Mn钢中几乎没有残余奥氏体,也证明回火后生成的都是逆转变奥氏体。由图3b可见,EBSD与XRD检测出的奥氏体含量的变化趋势相同,但是EBSD测出的逆转变奥氏体的含量略低。其原因可能是逆转变奥氏体的尺寸较小,特别是位于马氏体板条界面的细小板条状逆转变奥氏体。另一个原因是,测试区域的面积较小,逆转变奥氏体的分布不均匀。XRD谱的测试区域较大,因此测出的含量较为可靠。
图3
图3
4Mn钢的XRD谱和逆转变奥氏体的含量
Fig.3
XRD patterns (a) and reversed austenite content (b) of 4Mn steel
图4
图4
在不同温度回火的4Mn钢的TEM照片
Fig.4
TEM images of 4Mn steel (a, d) 600 oC, (b, e) 640 oC, (c, f) 670 oC
2.2 回火温度对析出相的影响
图5
图5
在不同温度回火的4Mn钢的析出相及其EDS
Fig.5
Precipitated phase (a-c) and EDS (d-i) of 4Mn steel (a, d-f) 600 oC, (b, g, h) 640 oC, (c, i) 670 oC
2.3 回火温度对力学性能的影响
2.3.1 4Mn钢的拉伸性能
图6
表1 4Mn钢的拉伸性能
Table 1
| Sample | Rm / MPa | Rp0.2 / MPa | A / % | Rp0.2 / Rm |
|---|---|---|---|---|
| 600 oC | 896 ± 0.5 | 857 ± 3.0 | 23 ± 0.5 | 0.96 |
| 640 oC | 913 ± 6.0 | 700 ± 9.0 | 25 ± 0.5 | 0.77 |
| 670 oC | 1114 ± 6.5 | 654 ± 3.0 | 17 ± 0.5 | 0.59 |
2.3.2 4Mn钢的冲击性能
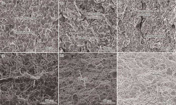
在不同温度回火的4Mn钢,其低温冲击功(KV2)和剪切断面率(SFA)列于表2。可以看出,相同实验温度下,随着回火温度的提高,回火的4Mn钢其低温冲击功和剪切断面率不断降低,特别是回火温度从600 ℃升高到640 ℃时,下降更为明显。图7给出了在不同温度回火的4Mn钢的冲击断口形貌(-60 ℃)。从解理区的形貌可见,回火温度不同的4Mn钢其解理区均呈现河流花样和类解理的小断面并有少量的撕裂棱和大量的舌状纹。这表明,4Mn钢的断裂是典型的准解理断裂[28]。随着回火温度的提高类解理的小断面减少,舌状纹明显增多。舌状纹是解理裂纹与形变孪晶相遇时产生的特殊形貌。这表明,回火温度由600 ℃提高到670 ℃,在冲击过程中晶内生成了越来越多的形变孪晶,显著影响4Mn钢的低温韧性。随着回火温度的提高,纤维区内的韧窝尺寸减小,区域面积占比显著降低。
表2 4Mn钢的低温冲击功和剪切断面率
Table 2
| Sample | -40 oC | -60 oC | -84 oC | |||
|---|---|---|---|---|---|---|
| KV2 / J | SFA / % | KV2 / J | SFA / % | KV2 / J | SFA / % | |
| 600 oC | 158 ± 8.6 | 66 ± 1.5 | 125 ± 36.4 | 53 ± 8.7 | 69 ± 12.7 | 34 ± 3.8 |
| 640 oC | 91 ± 4.4 | 42 ± 1.5 | 57 ± 2.6 | 20 ± 1.5 | 45 ± 0.6 | 17 ± 2.3 |
| 670 oC | 48 ± 1.5 | 16 ± 1.5 | 41 ± 1.2 | 14 ± 1.2 | 34 ± 3.2 | 12 ± 2.6 |
图7
图7
在不同温度回火的4Mn钢在-60 ℃的冲击断口形貌
Fig.7
Morphologies of the impact fracture of 4Mn steel at -60 oC (a, d) 600 oC, (b, e) 640 oC, (c, f) 670 oC
3 讨论
3.1 回火温度对4Mn钢低温冲击韧性的影响
图8
图8
4Mn钢的示波冲击位移-载荷-吸收能量曲线以及4Mn钢在不同回火温度下的裂纹形成功Wi和裂纹扩展功Wp
Fig.8
Oscillographic impact displacement-load-absorption energy curves of 4Mn steel at 600 oC (a), 640 oC (b), 670 oC (c), and Wi and Wp of 4Mn steel at different tempering temperatures (d)
随着回火温度的提高,裂纹形成功显著降低。其原因是,逆转变奥氏体的稳定性和含量发生了变化,从而影响了其增韧效果。在600 ℃回火的4Mn钢中含量适中的逆转变奥氏体具有较好的机械稳定性,在塑性变形中发生相变耗散了额外的能量。在相变过程中释放大量的相变潜热使应力降低,即新鲜马氏体的形核松弛了塑性变形产生的局部应力集中并延缓了裂纹的形成,使钢的裂纹形成功显著提高。回火温度略高于640 ℃(Ac1)时,平均分配到每个逆转变奥氏体中的C、Mn、Ni等元素的浓度降低,逆转变奥氏体的层错能(SFE)也随之降低。此时,逆转变奥氏体的稳定性也逐渐降低,相变诱导机制由应变诱导转变为应力诱导,增韧效果显著降低[29]。为了验证在两个温度回火的钢中逆转变奥氏体的元素分配,用TEM-EDS线扫测试了稳定奥氏体的Mn和Ni元素(图9)。可以看出,在更高温度回火的钢中逆转变奥氏体中Mn和Ni元素的含量都降低了,特别是Ni元素含量的降低更为显著。
图9
图9
在不同温度回火的4Mn钢逆转变奥氏体的STEM图及其EDS谱
Fig.9
STEM images (a, d) and STEM-EDS (b, c, e, f) of reversed austenitic of 4Mn steel (a-c) 600 oC, (d-f) 640 oC
随着回火温度的提高裂纹扩展功也显著降低,因为钢中的孪晶与块状逆转变奥氏体增多。对图7中解理区断口形貌的分析表明,钢中孪晶的数量随着回火温度的提高而增加。孪晶处是高应力区,硬度较高。裂纹易沿着孪晶界高速扩展,使裂纹扩展功显著降低[34,35]。从图7c中断口的形貌可见,舌状花样极为凹凸不平和粗大。其原因是,在670 ℃回火的钢中保留了合金元素较为贫乏的逆转变奥氏体。这种逆转变奥氏体的层错能较低,热处理后就形成了孪晶结构。在冲击实验中,孪晶边界成为形变孪晶形核点,促进了形变孪晶生成。其次,大量块状的逆转变奥氏体也可能使裂纹高速扩展[36]。主要分布在原奥氏体晶界和板条界上的块状逆转变奥氏体,使断裂模式转变为晶间断裂。随着裂纹的扩展,裂纹尖端附近的逆转变奥氏体不断转化为新鲜的马氏体,使裂纹稳定但脆性地扩展[29]。
以上结果表明,多种因素影响钢的低温韧性。在较低的温度(600 ℃)回火,4Mn钢中适量的高稳定性逆转变奥氏体和较少的新鲜马氏体使其低温韧性最佳。回火温度提高到640~670 ℃,逆转变奥氏体的含量和稳定性降低,新鲜马氏体和孪晶的含量逐渐提高,使钢的低温韧性显著降低。
3.2 4Mn钢中富Cu相的析出
在不同温度回火的4Mn钢其屈服强度降低的主要原因是析出强化效果的降低。而4Mn钢中起主要强化作用的是纳米Cu粒子,析出强化效果与其尺寸有关。由于在不同温度回火的4Mn钢中Cu粒子的半径大于5 nm,其析出强化增量是位错的Ashby-Orowan绕过机制产生的,可表示为[37]
式中G为室温下纯Fe的切变模量(为80650 MPa),fv 为析出相的体积分数,d为析出相的平均尺寸。这表明,纳米富Cu相的尺寸越大其析出强化效果越弱。逆转变奥氏体中的富Cu相难以统计,且析出量不能定量计算。可使用Thermo-Calc软件计算富Cu相的析出量与时效温度的关系。结果表明,在660 ℃过时效状态的钢中平均1%的富Cu相仍能产生约172 MPa的强化增量[38]。根据其研究结果,本文作者使用Thermo-Calc软件模拟估算了在不同温度回火的4MnCM钢(4Mn钢+少量Cr,Mo)中富Cu相的体积分数,分别为1.51%、1.30%和1.08% (图10)。Cr和Mo是碳化物形成元素不参与富Cu相的析出,因此4MnCM钢和4Mn钢中富Cu相的析出量相同。结合碳膜复型中对富Cu相尺寸的测量,根据
图10
3.3 4Mn钢的拉伸变形
根据均匀塑性变形阶段的部分真应力应变数据计算了在不同温度回火的4Mn钢的加工硬化指数n,分别为0.07,0.20和0.26。n值表征钢的均匀塑性变形能力。适当提高n值有利于促进拉伸时发生均匀塑性变形,与在640 ℃回火的钢具有最高25%的延伸率一致。虽然在670 ℃回火的钢其n值最高,但是延伸率最低(图11a)。其主要原因是,大量新鲜马氏体显著提高了4Mn钢的加工硬化能力。随着应变的增加钢的强度随之提高,使4Mn钢变得过于硬而脆,从而在到达较高延伸率之前即断裂[41]。这一变化趋势也可由4Mn钢的加工硬化曲线证实(图11b)。在拉伸变形开始时,随着屈服的发生加工硬化率均迅速降低。真应变达到大约0.01%时,加工硬化率降低的速率逐渐降低并趋于稳定。随着真应变的增加4Mn钢的加工硬化率随着回火温度的提高先升高后降低。
图11
图11
4Mn钢的断后延伸率和n值对应关系以及4Mn钢的加工硬化曲线
Fig.11
Corresponding between percentage elongation after fracture and n value of 4Mn steel (a), work hardening curves of 4Mn steel (b)
4 结论
(1) 回火温度的提高,使4Mn钢的组织由逆转变奥氏体+新鲜马氏体+回火马氏体/铁素体构成。各相组织含量的变化和富Cu相粗化的共同作用,使钢的抗拉强度提高和屈服强度降低。
(2) 随着回火温度的提高,4Mn钢中逆转变奥氏体的稳定性降低,相变由应变诱导变为应力诱导,相变缓解应力集中效果的减弱使裂纹形成功降低。裂纹扩展功降低的原因,一是大量块状逆转变奥氏体的生成使断裂模式转变为晶间断裂;二是孪晶的增多使裂纹易沿孪晶界高速扩展。同时,大量脆硬的新鲜马氏体使抗拉强度提高,也使低温韧性降低。
(3) 4Mn钢的加工硬化指数n随着回火温度的提高而增大。适当提高n值有利于促进拉伸时发生均匀塑性变形和提高加工硬化能力。钢中含量过高的新鲜马氏体虽然使加工硬化提高,但是使钢变得过于硬而脆和颈缩提前,从而降低其延伸率。
参考文献
The present situation and its development trend of hull structural steel
[J].
船体结构钢的现状及其发展趋势
[J].
Status and prospects of research and development of key common technologies for high-quality heavy and medium plate production
[J].
高质量中厚板生产关键共性技术研发现状和前景
[J].
Experimental and numerical analysis on formation of stable austenite during the intercritical annealing of 5Mn steel
[J].
Current opinion in medium manganese steel
[J].
Refined heterogeneous phase unit enhances ductility in quenched ultra-high strength steels
[J].
Evolution of toughening mechanisms in PH13-8Mo stainless steel during aging treatment
[J].
Effect of metastable austenite on mechanical property and mechanism in cryogenic steel applied in oceaneering
[J].
亚稳奥氏体对低温海工用钢力学性能的影响与机理
[J].
Effect of retained austenite on the fracture toughness of quenching and partitioning (QP)-treated sheet steels
[J].
Structure-mechanical property relationship in a high strength low carbon alloy steel processed by two-step intercritical annealing and intercritical tempering
[J].
Study on microstructures and toughening mechanism of nine percent nickel cryogenic steel for LNG tanks
[D].
液化天然气工程用9%Ni钢低温韧化机理与精细结构研究
[D].
Microstructure and mechanical properties of Fe-0.2C-5Mn steel processed by ART-annealing
[J].
Carbon partitioning to austenite from martensite or bainite during the quench and partition (Q P) process: a critical assessment
[J].
Tempering and austempering of double soaked medium manganese steels
[J].
Austenite formation and manganese partitioning during double soaking of an ultralow carbon medium-manganese steel
[J].
Strain partitioning in ultra-fine grained medium-manganese transformation induced plasticity steel
[J].
High strength-toughness combination of a low-carbon medium-manganese steel plate with laminated microstructure and retained austenite
[J].
Enhancing strength-ductility combination in a novel Cu-Ni bearing Q P steel by tailoring the characteristics of fresh martensite
[J].
High-performance copper-precipitation-hardened ship hull steel
[J].
高性能铜沉淀硬化船体钢
[J].
The strengthening mechanism of Cu bearing high strength steel As-quenched and tempered and Cu precipitation behavior in steel
[J].
调质态含Cu高强钢的强化机理及钢中Cu的析出行为
[J].
Precipitation mechanism and mechanical properties of an ultra-high strength steel hardened by nanoscale NiAl and Cu particles
[J].
Atom-probe study of Cu and NiAl nanoscale precipitation and interfacial segregation in a nanoparticle-strengthened steel
[J].
Effects of hot deformation and subsequent austempering on the mechanical properties of Si-Mn TRIP steels
[J].
Micromechanics of cleavage fracture and the associated tongue formation in ferritic steel
[J].
The effect of deformation twins on the quasi-cleavage crack propagation in twinning-induced plasticity steels
[J].
Characterization of individual retained austenite grains and their stability in low-alloyed TRIP steels
[J].
Grain boundary embrittlement by Mn and eutectoid reaction in binary Fe-12Mn steel
[J].
Process design and microstructure control of medium manganese steel with continuous yield and high strength yield ratio
[J].
连续屈服、高强屈比中锰钢的工艺设计与组织调控
[J].
The dominating role of austenite stability and martensite transformation mechanism on the toughness and ductile-to-brittle-transition temperature of a quenched and partitioned steel
[J].
Effect of manganese on the strength-toughness relationship of low-carbon copper and nickel-containing hull steel
[J].
Effect of reversed austenite on low temperature fracture mechanism of 9Ni steel
[J].
回转奥氏体对9Ni钢低温断裂机制的影响
[J].
The significance of multi-step partitioning: processing-structure -property relationship in governing high strength-high ductility combination in medium-manganese steels
[J].
A comprehensive study on the effect of annealing temperature on the tensile and impact behavior of automotive-grade medium manganese steel (Fe-6.22Mn-0.18C)
[J].
Effect of martensite morphology and volume fraction on the low-temperature impact toughness of dual-phase steels
[J].
The effects of recrystallization on strength and impact toughness of cold-worked high-Mn austenitic steels
[J].
Microstructural characterization of Charpy-impact-tested nanostructured bainite
[J].
Effect of aging temperature on mechanical properties of ultra high strength marine engineering steel strengthened by Cu precipitation
[J].
时效温度对Cu沉淀强化超高强海工钢力学性能的影响
[J].
Effects of temperature on the microstructural evolution and mechanical properties of copper - bearing medium manganese steel during tempering
[J].
Study on uniaxial tension properties of steel treated by Q P process
[J].
Q P工艺处理钢的单轴拉伸性能研究
[J].
Effect of chromium and molybdenum addition on the matching mechanism of strength-ductility-toughness of low carbonmedium manganese steel
[J].
/
| 〈 |
|
〉 |
