面向等离子体第一壁W-Y2O3 复合材料的力学性能 |
| 陈昱溟, 朱晓勇, 谭晓月, 刘家琴, 吴玉程 |
|
Mechanical Properties of W-Y2O3 Composites as Candidate of the First Wall Material Faced Plasma |
| CHEN Yuming, ZHU Xiaoyong, TAN Xiaoyue, LIU Jiaqin, WU Yucheng |
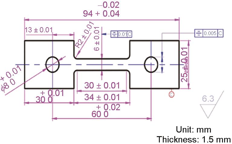
| 图1 拉伸试样的尺寸 |
| Fig.1 Dimensions of the tensile sample |
|