预热对690 MPa级HSLA钢对接接头力学性能的影响 |
| 汤忖江, 安同邦, 彭云, 马成勇, 林纯丞, 石照夏, 秦哲 |
|
Effect of Preheating on Microstructure and Mechanical Properties of Butt Joint of 690 MPa Grade HSLA Steel |
| TANG Cunjiang, AN Tongbang, PENG Yun, MA Chengyong, LIN Chuncheng, SHI Zhaoxia, QIN Zhe |
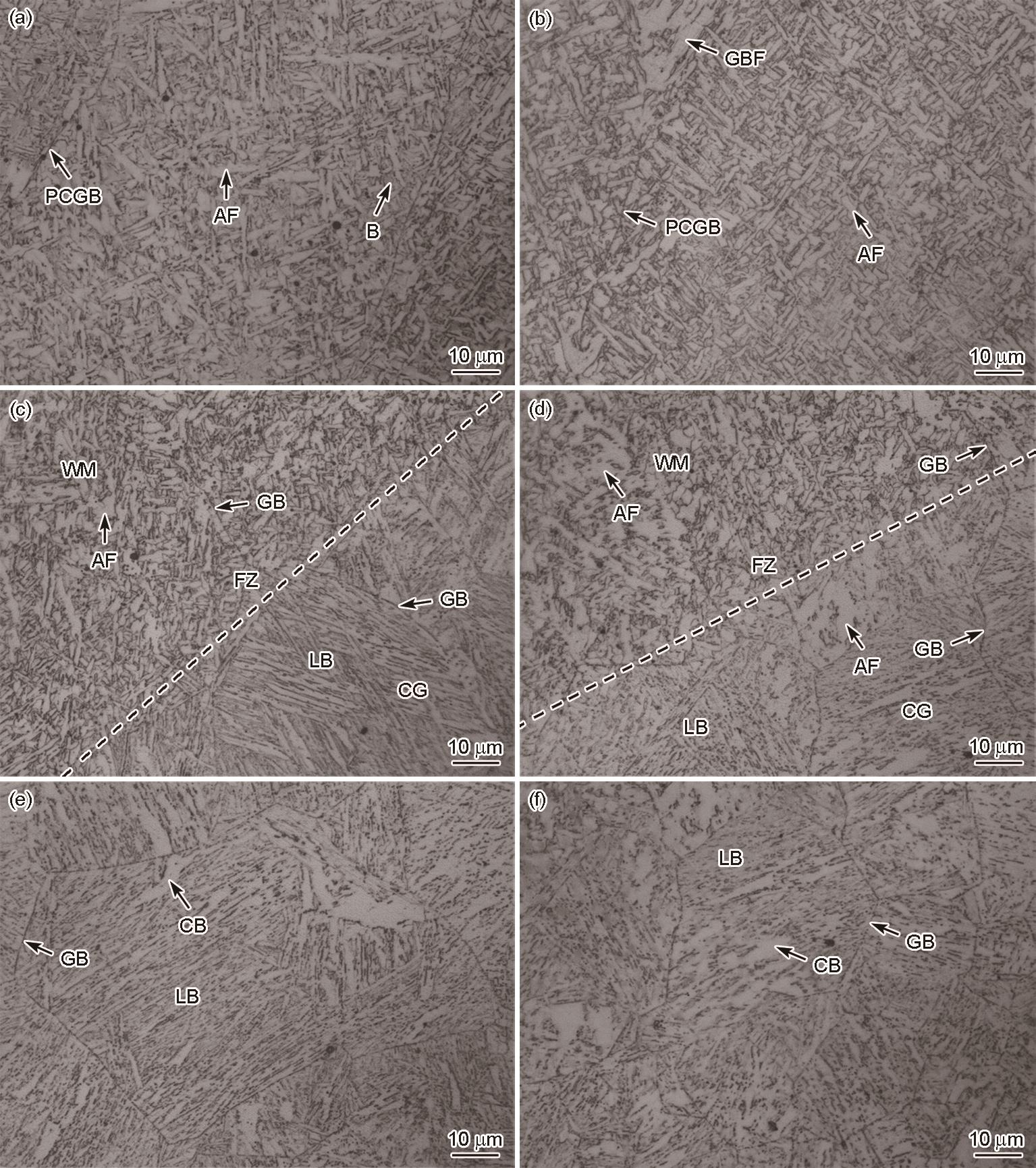
| 图4 不预热和低预热对接接头的微观组织形貌的OM像 |
| Fig.4 OM images of non-preheating and low preheating temperature butt joints (dashed line indicate boundary of fusion zone, the same below) (a, b) weld metals, (c, d) fusion zones, (e, f) coarse grain regions in HAZ (FZ—Fusion zone, CG—Coarse grain region, GBF—Grain boundary ferrite, PCGB—Prior columnar grain boundary, AF—Acicular ferrite, B—Bainite, LB—Lath bainite, CB—Coalesced bainite) |
|