C和W对低合金Cr-Mo钢焊缝金属组织和冲击韧性的影响 |
| 朱高文, 吴栋, 陆善平 |
|
Effect of C- and W-content on Microstructure and Toughness of Weld Metal for Low Alloy Cr-Mo Steel |
| ZHU Gaowen, WU Dong, LU Shanping |
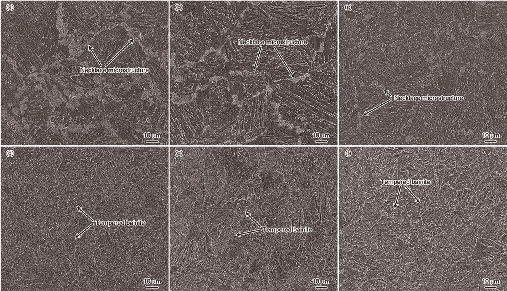
| 图18 不同W含量焊缝金属中间焊缝组织的SEM图 |
| Fig.18 SEM images of intermediate weld metal in different W contents (a, d) 0W, (b, e) 04W, (c, f) 09W; (a~c) necklace microstructure, (d~f) equiaxed crystal microstructure |
|