中国腐蚀与防护学报  2014 , 34 (3): 237-242

X100管线钢焊接接头抗HIC性能研究

王斌1, 周翠1, 李良君2, 胡红梅1, 朱加祥1

1. 西南石油大学 材料科学与工程学院 成都 610500
2. 四川科宏石油天然气工程有限公司 成都 610000

Resistance to Hydrogen Induced Corrosion Cracking of Weld Joint of X100 Pipeline Steel

WANG Bin1, ZHOU Cui1, LI Liangjun2, HU Hongmei1, ZHU Jiaxiang1

1. School of Materials Science and Engineering, Southwest Petroleum University, Chengdu 610500, China
2. Sichuan Kehong Oil and Gas Engineering CO., LTD., Chengdu 61000, China

中图分类号:  TG171

通讯作者:  通讯作者:王斌,E-mail:wangbincn89@163.com

收稿日期: 2013-06-3

修回日期:  2013-06-3

网络出版日期:  --

版权声明:  2014 《中国腐蚀与防护学报》编辑部 版权所有 2014, 中国腐蚀与防护学报编辑部。使用时,请务必标明出处。

基金资助:  四川省教育厅成果转化重大培育项目(13CZ0026) 资助

作者简介:

王斌,男,1965年生,博士,副教授,研究方向为金属材料的焊接与腐蚀

展开

摘要

利用OM和SEM研究了X100管线钢焊接接头的微观组织,并利用EDS分析接头中的非金属夹杂物种类及成分。结果表明,实验用X100管线钢焊接接头由针状铁素体、粒状贝氏体和M/A岛组成;焊缝金属中含有MnS,Si的氧化物和Al的氧化物及Al-Mg-O和Ca-Al-O-S系夹杂物。焊接接头氢致开裂敏感性较高,焊缝金属中的非金属夹杂物及硬脆M/A组元与基体之间的界面和应力导致氢致裂纹的萌生,并沿粗大的贝氏体晶粒扩展。

关键词: X100管线钢 ; 氢致开裂 ; 非金属夹杂物 ; M/A组元

Abstract

The resistance to hydrogen induced corrosion cracking (HIC) of the weld joint of X100 pipeline steel prepared by gas shielding metal arc welding was studied. OM and SEM with EDS were adopted to characterize the microstructure of the X100 weld joint and the non-metallic inclusions. The experimental results presented that the X100 weld joint exhibited a microstructure consisted of acicular ferrite, bainite and M/A islets, MnS, Al-oxide, Si-oxide and Al-Mg-O, Ca-Al-O-S mixed inclusions were also found in the weld joint. The weld joint had a high susceptibility to HIC due to the large amounts of non-metallic inclusions, furthermore, the interfaces and stress between the matrix and brittle M/A islets as well as inclusions might play an important role in the initiation of HIC cracks and then the cracks propagated along the grain boundaries of the coarse bainite.

Keywords: X100 pipeline steel ; HIC ; Non-metallic inclusion ; M/A constituent

0

PDF (5396KB) 元数据 多维度评价 相关文章 收藏文章

本文引用格式 导出 EndNote Ris Bibtex

王斌, 周翠, 李良君, 胡红梅, 朱加祥. X100管线钢焊接接头抗HIC性能研究[J]. , 2014, 34(3): 237-242 https://doi.org/

WANG Bin, ZHOU Cui, LI Liangjun, HU Hongmei, ZHU Jiaxiang. Resistance to Hydrogen Induced Corrosion Cracking of Weld Joint of X100 Pipeline Steel[J]. 中国腐蚀与防护学报, 2014, 34(3): 237-242 https://doi.org/

1 前言

随着石油天然气需求量的迅速增长,高强度级管线钢的发展迅速,X100管线钢因其在提高管线运输压力、节约成本等方面的优势而得到快速发展。在高钢级管线钢中,因钢的抗氢致开裂 (HIC) 性能随着强度的增加而降低[1-3],HIC成为其主要失效形式之一,因此优质的管线钢不仅要求高强度,而且需要保证良好的韧性、焊接性和抗HIC性。影响HIC的因素很多,主要是材料的成分、组织和非金属夹杂物等[4,5]

X100管线钢典型显微组织为铁素体、贝氏体和马氏体/残余奥氏体 (M/A) 组元复相组织,对其抗HIC性能的研究[3,5-7]表明,针状铁素体 (AF) 的增加有利于提高HIC性能,而贝氏体和M/A组元会降低抗HIC性能。当X100管线钢经历焊接热循环后,热影响区晶粒长大,同时受焊接材料的影响,焊接接头的化学成分、显微组织及非金属夹杂物数量、形态和分布发生变化,从而影响焊接接头抗HIC性能。本文从微观组织和夹杂物等方面对金属粉芯焊丝气保焊的X100管线钢焊接接头进行抗HIC性能分析,以期为X100管线钢的焊接应用提供指导。

2 实验方法

2.1 实验材料及焊接工艺

实验材料为X100管线钢,材质满足API5L标准的技术要求,为粒状贝氏体 (GB) 和AF组织。其化学成分 (质量分数,%) 为:C 0.030,Si 0.220,Mn 1.740,P 0.011,S 0.03,V 0.100,Nb 0.008,Ti 0.021,Cr 0.220,Ni 0.240,Mo 0.240,Cu 0.180,Al 0.040,N 0.004,Fe余量。采用金属粉芯焊丝气保焊对X100管线钢进行焊接实验,具体焊接工艺参数见表1。

   

表1   X100管线钢焊接工艺参数

Weld beadWelding
material
Welding
current / A
Welding
voltage / V
Wire feed
speed / inmin-1
Gas flow
Lmin-1
Root weldingACR-110K3M110~12515~1715715~20
Filling welding 1ACR-120GM102~12520~22176~20415~20
Filling welding 2ACR-120GM96~12320~22165~19615~20
Filling welding 3ACR-120GM110~12019.5~22193~19615~20
Cover weldingACR-120GM105~11620~22.5186~19120~25

新窗口打开

2.2 HIC实验方法

根据GB/T 8650-2006 《管线钢和压力容器钢抗氢致开裂评定方法》对X100管线钢焊接接头进行抗HIC实验。焊缝位于试样中心,试样尺寸为100 mm×20 mm×d (厚度);实验溶液采用NACE TM0284-96 的A溶液,即5% (质量分数) NaCl+0.5%冰乙酸+饱和H2S水溶液,pH值为2.7±0.1。实验完成后对各个检查面进行观察,并按图1的方式分别计算裂纹敏感率 (CSR)、裂纹长度率 (CLR) 和裂纹宽度率 (CTR),每个参数测试3个试样,取其平均值。

图1   

Fig.1   裂纹尺寸测量示意图

CSRCLRCTR的计算公式为:

CSR=(a×b)/wd×100%

CLR=a/w×100%

CTR=b/d×100%

其中,a为裂纹长度,b为裂纹厚度,w为试样宽度,d为试样厚度,单位为mm。

利用XJG-05型金相显微镜 (OM)、ZEISS EVO18型扫描电镜 (SEM) 及其自带能谱仪 (EDS) 观察焊接接头的微观组织和HIC形貌,硬度测试采用HVS-1000显微硬度仪,加载力为1000 g,加载时间为10 s。

3 结果与讨论

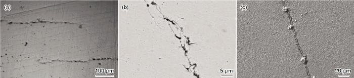
依据GB/T 8650-2006对X100管线钢焊接接头进行抗HIC实验,测得CSRCLRCTR的数据见表2。裂纹的OM和SEM像示于图2。

   

表2   X100管线钢焊接接头HIC实验结果

SampleCSR / %CLR / %CTR / %
12.3821.0021.84
26.3737.1345.50
34.9131.9919.68
Average4.5530.0429.01

新窗口打开

图2   

Fig.2   HIC裂纹的OM和SEM像

由表2可知,X100管线钢焊接接头具有较高的HIC敏感性,CSRCLRCTR实验值分别为4.55%,30.04%和29.01%,不满足API5L在A溶液中抗HIC评定要求 (CSR≤2%,CLR≤15%和CTR≤5%)。管线钢的HIC与H的扩散和富集有关,当置于H2S环境中时,H2S在水溶液中发生离解生成H+;管线钢中的Fe与S结合,H+吸收电子成为H,部分结合成H2逸出,部分进入管线钢内扩散到夹杂物、偏析区和微孔等缺陷周围或应力集中区域富集;当富集的H达到临界值时,则导致开裂。下面从微观组织、非金属夹杂物和轧制缺陷3个方面对实验结果进行分析。

3.1 X100管线钢焊接接头显微组织和力学性能分析

图3和4分别为X100管线钢焊接接头的OM和SEM像。综合分析可知,焊缝金属主要由AF和GB组成,热影响区 (HAZ) 为粗大粒状贝氏体和分布其中的M/A组元。在焊缝金属和HAZ中,大量M/A组织弥散分布在基体中,虽然可以提高基体组织的硬度和强度,但在应变条件下其周围形成了应力集中并成为微裂纹的形核核心,提高了HIC敏感性[5]。AI-Mansour等[8]认为X100管线钢高的HIC敏感性是由于其较高的强度和组织不均匀性导致,裂纹易从硬脆相处萌发。减少钢中相界面数量、改善夹杂物形态能够降低X100管线钢的HIC敏感性。由于M/A组织的硬度高,不易发生形变,因此,在M/A组织周围产生应力集中,高密度位错向M/A组织周围积聚,M/A组织成为局部应力集中的核心。当应力集中到一定程度时,在M/A组织边界形成微裂纹[9]。同时,M/A组元的积聚也易使H聚集,当H含量超过临界值时,引起HIC。

图3   

Fig.3   X100管线钢焊接接头的OM像

图4   

Fig.4   焊缝的SEM像

图5为焊接接头焊缝中心距离-硬度分布的实验结果。在输送酸性介质的管线钢中,美国腐蚀工程协会 (NACE) 标准MR0175提出了焊缝的硬度应满足小于HRC22 (相当于248 HV) 的要求,但对于X80及以上的高强度管线钢管,日本JIS、挪威DNV和加拿大CSA等标准都规定了其焊接接头硬度值应控制在300 HV10以下[10][11]。硬度值影响管线钢的氢脆性能,因为裂纹更易在低塑性相萌生及扩展[12]。X100管线钢焊接接头最大硬度值已超过300 HV,较高的硬度恶化了其HIC性能。

图5   

Fig.5   焊接接头硬度分布

3.2 焊缝金属中非金属夹杂物分析

图6为HIC实验前焊接接头中非金属夹杂物的分布和形貌图。根据标准GB/T 10561-2005《钢中非金属夹杂物含量的测定标准评级图显微检验法》对X100管线钢焊接接头进行非金属夹杂物评级,结果见表3。

图6   

Fig.6   X100管线钢母材及焊缝中的夹杂物类型及形貌

   

表3   X100管线钢焊接接头非金属夹杂物级别

GradeSulfide
A
Aluminium
oxide B
Silicate
C
Spherical
oxide D
Single spherical
particls DS
Total gradeFine type0.59.50.5477.5
Coarse type1.518.50.51
Maximum grade0.53s123

新窗口打开

由图6和表3可知,X100管线钢焊接接头中链状Al2O3、硅类和球状氧化物类非金属夹杂物较多,硫化物、硅酸盐类夹杂物含量相对较少。SiO2和Al2O3夹杂物多呈链 (或串) 状分布,是H易聚集的场所,且裂纹易沿呈链状分布的夹杂物扩展,并相互连接形成长条裂纹;焊缝中环形氧化物夹杂物含量较高,这是焊接过程中焊材在高温作用下氧化产生SiO2和MnO2等氧化物形成的,这些硬质氧化物夹杂及其与基体间的间隙使H更易于滞留和富集;不规则的硫化物夹杂是强烈的氢陷阱,它的存在大大增加了HIC的敏感性[13]

为进一步分析焊缝中非金属夹杂物的类型和成分,对夹杂物进行SEM和EDS分析,结果见图7。

图7   

Fig.7   X100管线钢焊缝金属中夹杂物的形貌及EDS分析

EDS分析结果表明,焊缝金属中为MnS和Al的氧化夹杂物,Si的氧化夹杂物及Al-Mg-O和Ca-Al-O-S系夹杂物。夹杂物是H的强陷阱,当H在夹杂物附近聚集到一定程度时则产生HIC。这是因为非金属夹杂物与金属基体的界面由于热膨胀系数的不同容易形成空洞,强烈吸附H;当带H的位错在运动中遇到更强的作为H陷阱的非金属夹杂物时,位错就会把H留在陷阱中,以便绕过障碍继续运动,形成了H的局部富集,造成氢压增大;当氢压超过临界值时就会沿夹杂和基体的界面萌生裂纹,之后沿着夹杂物拉长的方向扩展。夹杂物含量越高,HIC敏感性越大[14-16]。为提高管线钢及焊接接头的抗HIC性能,应尽可能提高钢的纯净度、细化晶粒、改善夹杂物的分布和形态。

4 结论

(1) 采用金属粉芯气保焊的X100管线钢焊接接头具有较高的HIC敏感性,裂纹敏感率为4.55%,裂纹长度率为30.04%,裂纹厚度率为29.01%。

(2) X100管线钢焊缝金属由针状铁素体、贝氏体和M/A组元组成,热影响区主要为粗大的粒状贝氏体和大量M/A岛,粗大脆硬的M/A组元提高了接头的HIC敏感性。

(3) X100管线钢焊接接头中含有Al的氧化物,Si的氧化物,Mn的氧化物和Ca的氧化物及硫化物等夹杂物,夹杂物界面是强的氢陷阱,成为HIC裂纹的萌生处,降低了焊接接头的抗HIC性能。


参考文献

[1] Hardie D, Charles E A, Lopez A H.

Hydrogen embrittlement of high strength pipeline steels

[J]. Corros. Sci., 2006, 48(12): 4378-4385

[2] Carneiro R A, Ratnapuli R C, de Freitas Cunha Lins V.

The influence of chemical composition and microstructure of API linepipe steels on hydrogen induced cracking and sulfide stress corrosion cracking

[J]. Mater. Sci. Eng., 2003, A357(1): 104-110

[3] Dong C F, Liu Z Y, Li X G, et al.

Effects of hydrogen-charging on the susceptibility of X100 pipeline steel to hydrogen-induced cracking

[J]. Int. J. Hydrogen Energy, 2009, 34(24): 9879-9884

[4] Kim W K, Koh S U, Yang B Y, et al.

Effect of environmental and metallurgical factors on hydrogen induced cracking of HSLA steels

[J]. Corros. Sci., 2008, 50(12): 3336-3342

[5] Park G T, Koh S U, Jung H G, et al.

Effect of microstructure on the hydrogen trapping efficiency and hydrogen induced cracking of linepipe steel

[J]. Corros. Sci., 2008, 50(7): 1865-1871

[6] Al-Mansour M, Alfantazi A M, El-boujdaini M.

Sulfide stress cracking resistance of API-X100 high strength low alloy steel

[J]. Mater. Des., 2009, 30(10): 4088-4094

[7] Beidokhti B, Dolati A, Koukabi A H.

Effects of alloying elements and microstructure on the susceptibility of the welded HSLA steel to hydrogen-induced cracking and sulfide stress cracking

[J]. Mater. Sci. Eng., 2009, A507(1): 167-173

[8] AI-Mansour M, Alfantazi A M, EI-boujdaini M.

Sulfide stress cracking resistance of API X100 high strength low alloy steel

[J]. Mater. Des., 2009, 30(10): 4088-4094

[9] Qi L H, Niu J, Yang L, et al.

Effect of strain aging on microstructure and properties of X100 pipeline steel

[J]. Trans. Mater. Heat. Treat., 2011, 32(2): 66-68

(齐丽华, 牛靖, 杨龙.

X100级高强度管线钢应变时效行为

[J]. 材料热处理学报, 2011, 32(2): 66-68)

[10] CanadianStandards Association. CSA Z662-07, Oil and Gas Pipeline Systems[S]. 2007

[11] Veritas D N. Rules for Submarine Pipeline Systems 1981 [M]. Oslo: Det Norske Veritas, 1982

[12] Beidokhti B, Dolati A, Koukabi A H.

Effects of alloying elements and microstructure on the susceptibility of the welded HSLA steel to hydrogen-induced cracking and sulfide stress cracking

[J]. Mater. Sci. Eng., 2009, A507(1): 167-173

[13] Zhou Q, Ji G S, Zhang J B, et al.

The effect of sulfides on hydrogen induced cracking of pipeline steels

[J]. J. Mater. Eng., 2002, 9: 38-39

(周琦, 季根顺, 张建斌.

管线钢中的硫化夹杂物与氢致开裂

[J]. 材料工程, 2002, 9: 38-39)

[14] Payandeh Y, Soltanieh M.

Oxide inclusions at different steps of steel production

[J]. J. Iron. Steel Res. Int., 2007, 14(5): 39-46

[15] Dong C F, Li X G, Liu Z Y, et al.

Hydrogen-induced cracking and healing behavior of X70 steel

[J]. J. Alloys Compd., 2009, 484(1): 966-972

[16] Zhen F, Liu J, Huang F, et al.

Effect of the nonmetallic inclusions on the HIC behavior of X120 pipeline steel

[J]. J. Chin. Soc. Corros. Prot., 2010, 30(2): 147-148

(镇凡, 刘静, 黄峰.

夹杂物对X120管线钢氢致开裂的影响

[J].中国腐蚀与防护学报, 2010, 30(2): 147-148)

/